LEMON Manuals: Even more car manuals for everyone: 1960-2025
Home >> Lexus >> 2008 >> LX 570 >> Repair and Diagnosis >> Electrical >> Body Electrical >> OEM System Circuits >> Slide Roof >> Notes
April 5, 2026: LEMON Manuals is launched! Read the announcement.

Slide Roof: Notes

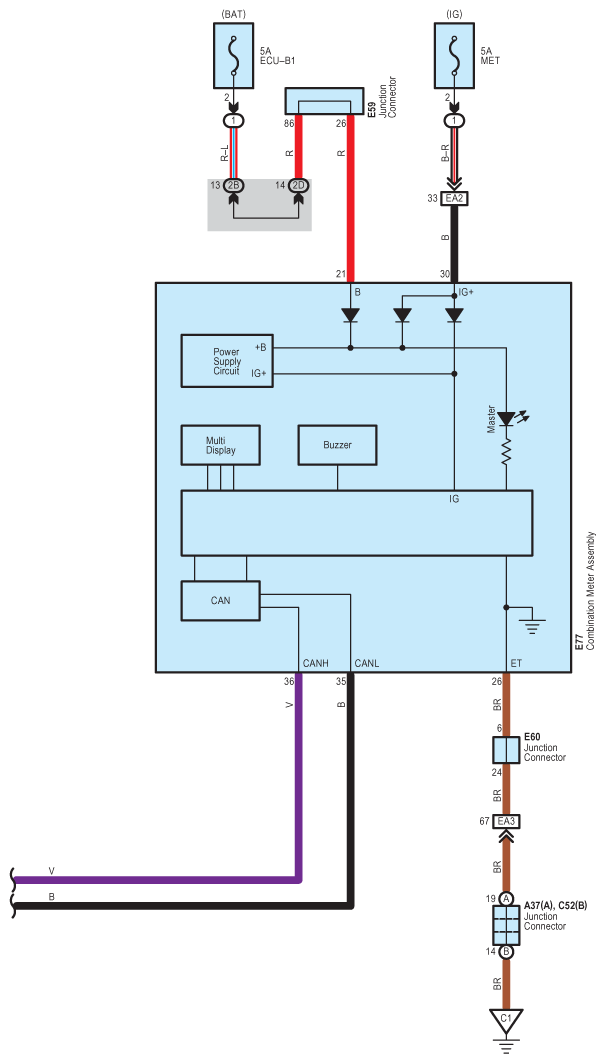
Fig 1: Slide Roof - Circuit Diagram (1 Of 5)
G07596858Courtesy of © TOYOTA, LICENSE AGREEMENT TMS1002
Fig 2: Slide Roof - Circuit Diagram (2 Of 5)
G07596859Courtesy of © TOYOTA, LICENSE AGREEMENT TMS1002
Fig 3: Slide Roof - Circuit Diagram (3 Of 5)
G07596860Courtesy of © TOYOTA, LICENSE AGREEMENT TMS1002
Fig 4: Slide Roof - Circuit Diagram (4 Of 5)
G07596861Courtesy of © TOYOTA, LICENSE AGREEMENT TMS1002
Fig 5: Slide Roof - Circuit Diagram (5 Of 5)
G07596862Courtesy of © TOYOTA, LICENSE AGREEMENT TMS1002