LEMON Manuals: Even more car manuals for everyone: 1960-2025
Home >> Lexus >> 2008 >> LX 570 >> Repair and Diagnosis >> Engine Mechanical >> Mechanical >> Intake System / Exhaust System >> Intake System >> System Diagram
April 5, 2026: LEMON Manuals is launched! Read the announcement.

System Diagram

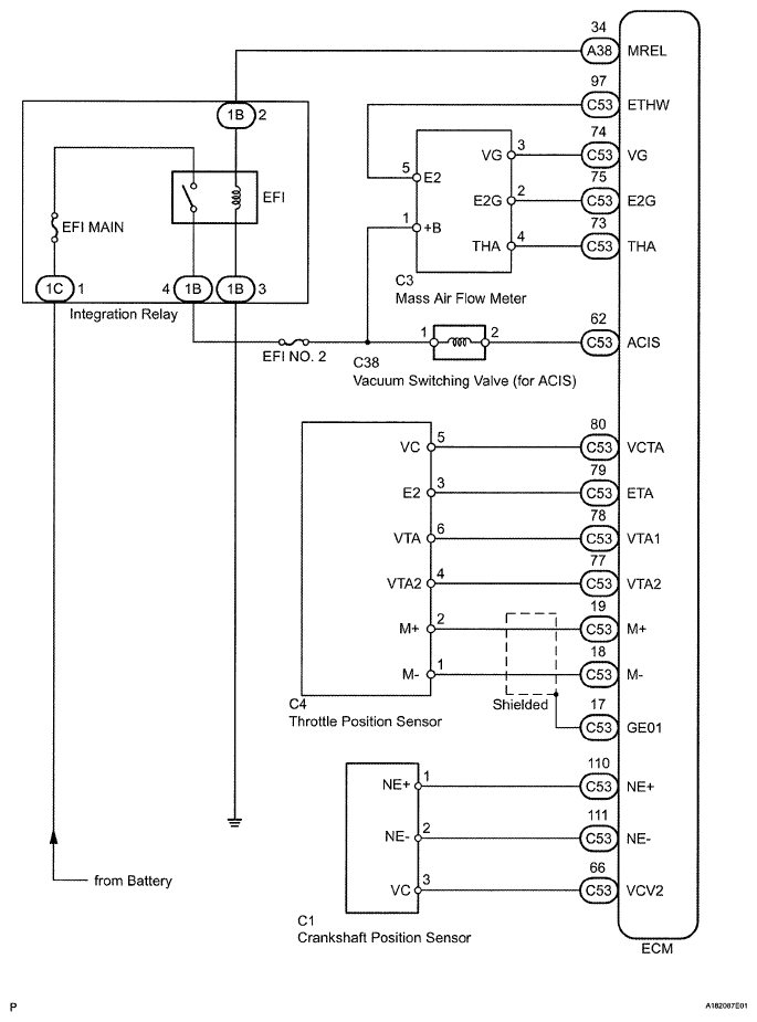
Fig 1: Intake System Diagram (1 Of 2)
G05637995Courtesy of © TOYOTA, LICENSE AGREEMENT TMS1002
Fig 2: Intake System Diagram (2 Of 2)
G05759753Courtesy of © TOYOTA, LICENSE AGREEMENT TMS1002