LEMON Manuals: Even more car manuals for everyone: 1960-2025
Home >> Lexus >> 2008 >> LX 570 >> Repair and Diagnosis >> Engine Performance >> System >> Engine Control System - System Descriptions And Testing, On-Vehicle Inspection, Removal And Installation >> Ignition System >> System Diagram
April 5, 2026: LEMON Manuals is launched! Read the announcement.

System Diagram

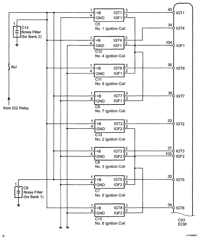
Fig 1: Ignition System Diagram (1 Of 2)
G05628200Courtesy of © TOYOTA, LICENSE AGREEMENT TMS1002
Fig 2: Ignition System Diagram (2 Of 2)
G05628201Courtesy of © TOYOTA, LICENSE AGREEMENT TMS1002