LEMON Manuals: Even more car manuals for everyone: 1960-2025
Home >> Lexus >> 2008 >> RX 350 FWD >> Repair and Diagnosis >> Engine Performance >> Engine Control Systems >> Engine Control System - System And Circuit Testing, On-Vehicle Inspection, Removal, Inspection & Installation >> Fuel Pump Control Circuit >> Description
April 5, 2026: LEMON Manuals is launched! Read the announcement.

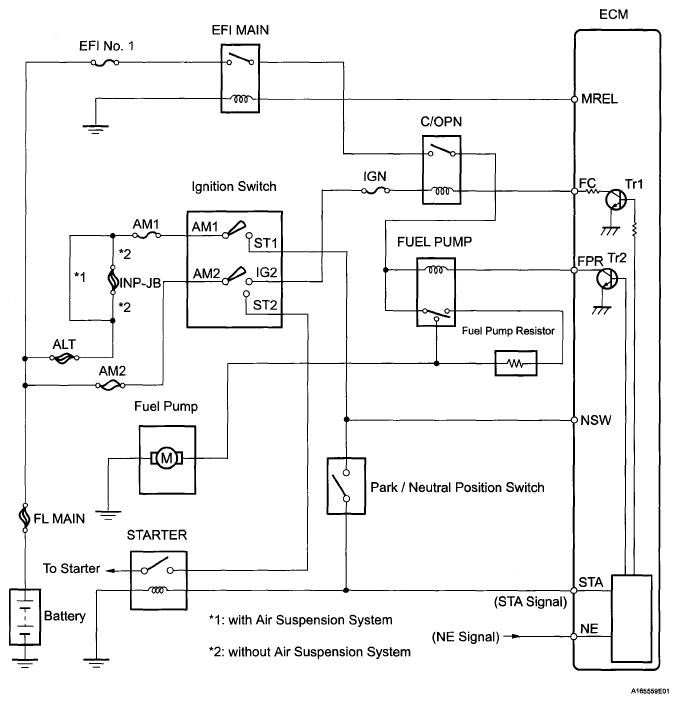
Fuel Pump Control Circuit: Description

The FUEL PUMP relay switches the fuel pump speed according to the engine conditions. The fuel pump operates when the ECM receives the starter-operating signal (STA) and crankshaft-rotating signal (NE).

The FUEL PUMP relay is turned ON while the engine is idling or operating at low load. This causes current to flow through the fuel pump resistor to the fuel pump. The fuel pump then operates at low speed. The FUEL PUMP relay is turned OFF while the engine is cranking or operating at high load. The fuel pump then operates at normal speed.

Fig 1: Fuel Pump Control Circuit Diagram
G05840092Courtesy of © TOYOTA, LICENSE AGREEMENT TMS1002