LEMON Manuals: Even more car manuals for everyone: 1960-2025
Home >> Lexus >> 2008 >> RX 400h AWD V6-3.3L (3MZ-FE) Hybrid >> Repair and Diagnosis >> Powertrain Management >> Computers and Control Systems >> Relays and Modules - Computers and Control Systems >> Main Relay (Computer/Fuel System) >> Testing and Inspection
April 5, 2026: LEMON Manuals is launched! Read the announcement.

Main Relay (Computer/Fuel System): Testing and Inspection








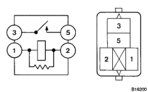
3MZ-FE ENGINE CONTROL SYSTEM: CIRCUIT OPENING RELAY:

INSPECTION

1. INSPECT CIRCUIT OPENING RELAY






(a) Using an ohmmeter, measure the resistance according to the value(s) in the table below.
Standard resistance:





If the result is not as specified, replace the relay.