LEMON Manuals: Even more car manuals for everyone: 1960-2025
Home >> Lexus >> 2008 >> RX 400h AWD >> Repair and Diagnosis (Single Page) >> Electrical >> Body Electrical >> OEM System Circuits >> Engine Control >> Notes
April 5, 2026: LEMON Manuals is launched! Read the announcement.

Engine Control: Notes

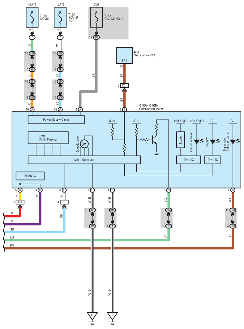
Fig 1: Engine Control - Circuit Diagram (1 Of 12)
G07609801Courtesy of © TOYOTA, LICENSE AGREEMENT TMS1002
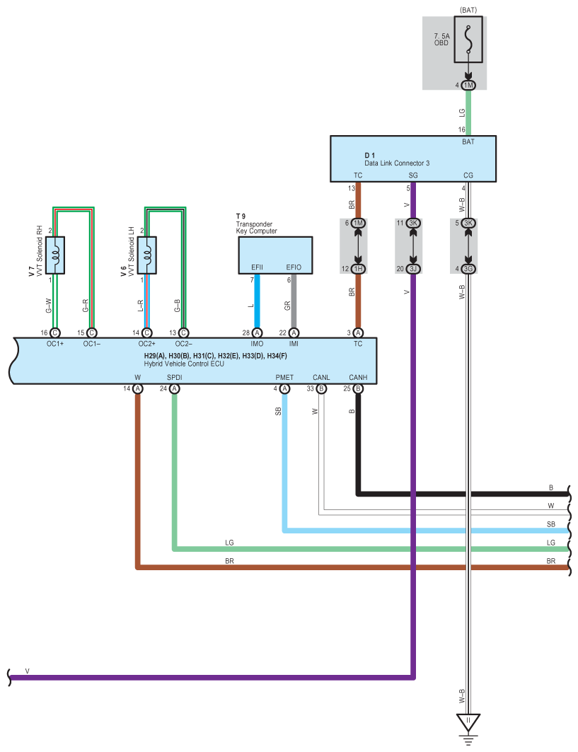
Fig 2: Engine Control - Circuit Diagram (2 Of 12)
G07609802Courtesy of © TOYOTA, LICENSE AGREEMENT TMS1002
Fig 3: Engine Control - Circuit Diagram (3 Of 12)
G07609803Courtesy of © TOYOTA, LICENSE AGREEMENT TMS1002
Fig 4: Engine Control - Circuit Diagram (4 Of 12)
G07609804Courtesy of © TOYOTA, LICENSE AGREEMENT TMS1002
Fig 5: Engine Control - Circuit Diagram (5 Of 12)
G07609805Courtesy of © TOYOTA, LICENSE AGREEMENT TMS1002
Fig 6: Engine Control - Circuit Diagram (6 Of 12)
G07609806Courtesy of © TOYOTA, LICENSE AGREEMENT TMS1002
Fig 7: Engine Control - Circuit Diagram (7 Of 12)
G07609807Courtesy of © TOYOTA, LICENSE AGREEMENT TMS1002
Fig 8: Engine Control - Circuit Diagram (8 Of 12)
G07609808Courtesy of © TOYOTA, LICENSE AGREEMENT TMS1002
Fig 9: Engine Control - Circuit Diagram (9 Of 12)
G07609809Courtesy of © TOYOTA, LICENSE AGREEMENT TMS1002
Fig 10: Engine Control - Circuit Diagram (10 Of 12)
G07609810Courtesy of © TOYOTA, LICENSE AGREEMENT TMS1002
Fig 11: Engine Control - Circuit Diagram (11 Of 12)
G07609811Courtesy of © TOYOTA, LICENSE AGREEMENT TMS1002
Fig 12: Engine Control - Circuit Diagram (12 Of 12)
G07609812Courtesy of © TOYOTA, LICENSE AGREEMENT TMS1002