LEMON Manuals: Even more car manuals for everyone: 1960-2025
Home >> Lexus >> 2008 >> RX 400h AWD >> Repair and Diagnosis >> Electrical >> Body Electrical >> OEM System Circuits >> Cooling Fan >> Notes
April 5, 2026: LEMON Manuals is launched! Read the announcement.

Cooling Fan: Notes

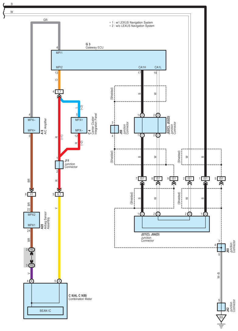
Fig 1: Cooling Fan - Circuit Diagram (1 Of 3)
G07610036Courtesy of © TOYOTA, LICENSE AGREEMENT TMS1002
Fig 2: Cooling Fan - Circuit Diagram (2 Of 3)
G07610037Courtesy of © TOYOTA, LICENSE AGREEMENT TMS1002
Fig 3: Cooling Fan - Circuit Diagram (3 Of 3)
G07610038Courtesy of © TOYOTA, LICENSE AGREEMENT TMS1002