LEMON Manuals: Even more car manuals for everyone: 1960-2025
Home >> Lexus >> 2008 >> RX 400h AWD >> Repair and Diagnosis >> Engine Performance >> Engine Control System >> SFI System >> EVAP System >> Wiring Diagram
April 5, 2026: LEMON Manuals is launched! Read the announcement.

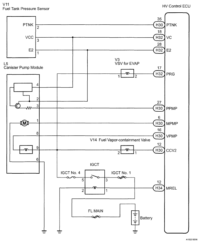
EVAP System: Wiring Diagram

Fig 1: EVAP System - Wiring Diagram
G05858262Courtesy of © TOYOTA, LICENSE AGREEMENT TMS1002