LEMON Manuals: Even more car manuals for everyone: 1960-2025
Home >> Lexus >> 2008 >> RX 400h AWD >> Repair and Diagnosis >> Engine Performance >> Engine Control System >> SFI System >> VC Output Circuit >> Wiring Diagram
April 5, 2026: LEMON Manuals is launched! Read the announcement.

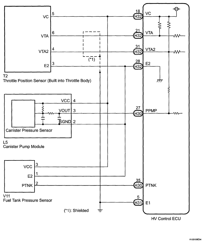
VC Output Circuit: Wiring Diagram

Fig 1: VC Output - Wiring Diagram
G05275747Courtesy of © TOYOTA, LICENSE AGREEMENT TMS1002