LEMON Manuals: Even more car manuals for everyone: 1960-2025
Home >> Lexus >> 2008 >> RX 400h AWD >> Repair and Diagnosis >> External Pages >> Different car >> Section 41 (Cruise Control) >> Dynamic Laser Cruise Control System >> Distance Control ECU Power Source Circuit >> Wiring Diagram
April 5, 2026: LEMON Manuals is launched! Read the announcement.

Distance Control ECU Power Source Circuit: Wiring Diagram

WARNING: This page is about a different car, the 2006 Lexus RX 400h. However, it is still accessible from the selected car via links, so may be relevant.
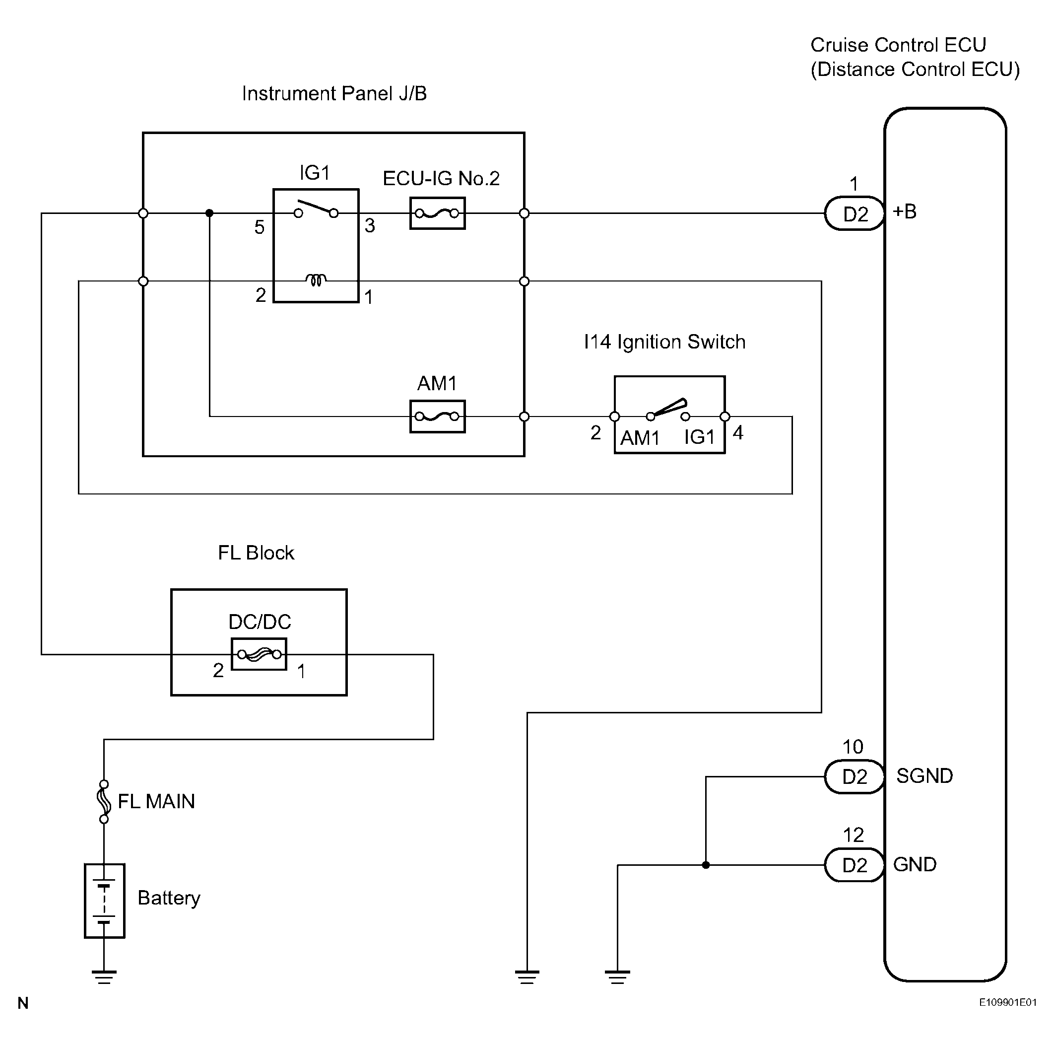
Fig 1: Wiring Diagram - Distance Control ECU Power Source Circuit
G04114869Courtesy of © TOYOTA, LICENSE AGREEMENT TMS1002
  1. CHECK DISTANCE CONTROL ECU 
    1. Disconnect the distance control ECU connector.
    2. Measure the voltage according to the value(s) in the table below.

      Standard voltage 

      TESTER CONNECTION AND SPECIFIED CONDITION

      Tester Connection Condition Specified Condition
      D2-1 (+B) - Body ground Ignition switch on 10 to 14 V
    3. Measure the resistance according to the value(s) in the table below.

      Standard resistance 

      TESTER CONNECTION AND SPECIFIED CONDITION

      Tester Connection Condition Specified Condition
      D2-10 (SGND) - Body ground Always Below 1 Ω
      D2-12 (GND) - Body ground Always Below 1 Ω

    NG : REPAIR OR REPLACE HARNESS OR CONNECTOR 

    Fig 2: Identifying Terminals Of Distance Control ECU
    G04114870Courtesy of © TOYOTA, LICENSE AGREEMENT TMS1002

    OK : PROCEED TO NEXT CIRCUIT INSPECTION SHOWN IN  PROBLEM SYMPTOMS TABLE