LEMON Manuals: Even more car manuals for everyone: 1960-2025
Home >> Lexus >> 2008 >> RX 400h AWD >> Repair and Diagnosis >> External Pages >> Different car >> Section 45 (Navigation) >> Navigation System >> Display Signal Circuit between Navigation ECU and Multi-display Controller >> Wiring Diagram
April 5, 2026: LEMON Manuals is launched! Read the announcement.

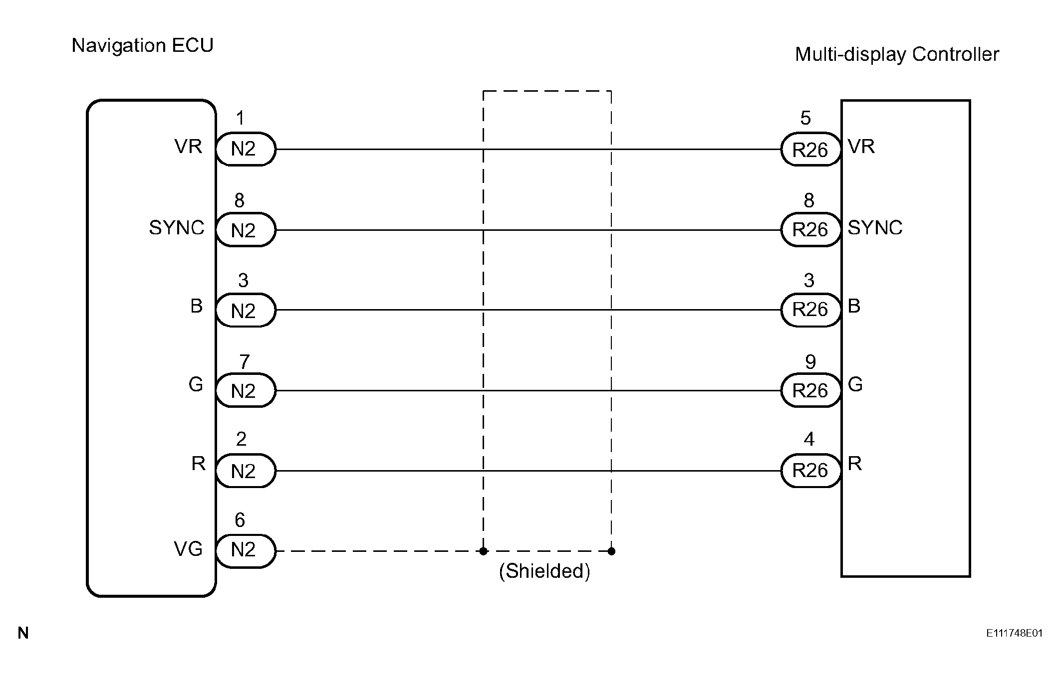
Display Signal Circuit between Navigation ECU and Multi-display Controller: Wiring Diagram

WARNING: This page is about a different car, the 2006 Lexus RX 400h. However, it is still accessible from the selected car via links, so may be relevant.
Fig 1: Signal Circuit Between Navigation ECU And Multi-Display Controller - Wiring Diagram
G04115879Courtesy of © TOYOTA, LICENSE AGREEMENT TMS1002
  1. CHECK HARNESS AND CONNECTOR (NAVIGATION ECU - MULTI-DISPLAY CONTROLLER) 
    1. Disconnect the navigation ECU connector N2 and multi-display controller connector R26.
    2. Measure the resistance according to the value(s) in the table below.

      Resistance 

      ECU CONNECTOR TERMINAL RESISTANCE SPECIFICATION

      Tester connection Condition Specified condition
      R - R Always Below 1 Ω
      G - G Always Below 1 Ω
      B - B Always Below 1 Ω
      SYNC - SYNC Always Below 1 Ω
      VR - VR Always Below 1 Ω
      R - Body ground Always 10 kΩ or higher
      G - Body ground Always 10 kΩ or higher
      B - Body ground Always 10 kΩ or higher
      SYNC - Body ground Always 10 kΩ or higher
      VR - Body ground Always 10 kΩ or higher

    NG: REPAIR OR REPLACE HARNESS OR CONNECTOR 

    Fig 2: Identifying ECU Connector N2 And Multi-Display Controller Connector R26
    G04115880Courtesy of © TOYOTA, LICENSE AGREEMENT TMS1002

    OK: GO TO NEXT STEP. 

  2. INSPECT NAVIGATION ECU (OUTPUT SIGNAL) 
    1. Reconnect the navigation ECU connector N2.
    2. Measure the waveform according to the table below.

      OK 

      TESTER CONNECTION SPECIFIED CONDITION

      Tester connection Condition Specified condition
      R - Body ground Navigation map is switched A waveform synchronized with display signals is output
      G - Body ground Navigation map is switched A waveform synchronized with display signals is output
      B - Body ground Navigation map is switched A waveform synchronized with display signals is output
      SYNC - Body ground Navigation display is ON A waveform synchronized with display signals is output
      Fig 3: Identifying Multi-Display Controller Connector R26
      G04115881Courtesy of © TOYOTA, LICENSE AGREEMENT TMS1002

      HINT:

      The waveform pattern may differ from those shown in the illustrations below due to differences in oscilloscope setting. A normal navigation ECU operating condition can be determined if any waveform is output.

    3. Oscilloscope waveform
      1. Terminal: SYNC - Body ground

        Setting: 500 mV/DIV 10 [mue] s/DIV

        Condition: Navigation display is ON.

      2. Terminal: R, G, B - Body ground

        Setting: 200 mV/DIV 10 [mue] s/DIV

        Condition: Navigation map is switched.

    NG: REPLACE NAVIGATION ECU 

    Fig 4: Identifying Oscilloscope Waveform
    G04115882Courtesy of © TOYOTA, LICENSE AGREEMENT TMS1002

    OK: RETURN TO THE ORIGINAL INSPECTION FLOW BECAUSE THE CHECK RESULT IS NORMAL