LEMON Manuals: Even more car manuals for everyone: 1960-2025
Home >> Lexus >> 2008 >> RX 400h FWD >> Repair and Diagnosis >> Electrical >> Body Electrical >> OEM System Circuits >> Adaptive Front-Lighting System >> Notes
April 5, 2026: LEMON Manuals is launched! Read the announcement.

Adaptive Front-Lighting System: Notes

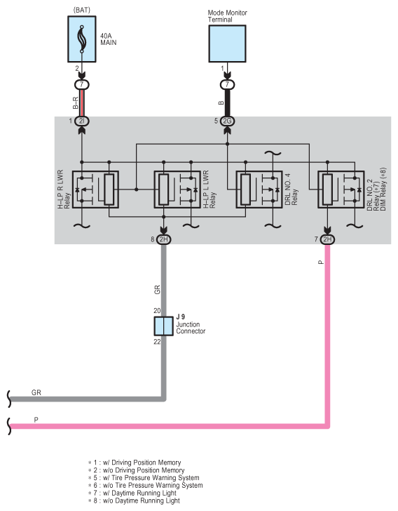
Fig 1: Adaptive Front-Lighting System - Circuit Diagram (1 Of 6)
G07609926Courtesy of © TOYOTA, LICENSE AGREEMENT TMS1002
Fig 2: Adaptive Front-Lighting System - Circuit Diagram (2 Of 6)
G07609927Courtesy of © TOYOTA, LICENSE AGREEMENT TMS1002
Fig 3: Adaptive Front-Lighting System - Circuit Diagram (3 Of 6)
G07609928Courtesy of © TOYOTA, LICENSE AGREEMENT TMS1002
Fig 4: Adaptive Front-Lighting System - Circuit Diagram (4 Of 6)
G07609929Courtesy of © TOYOTA, LICENSE AGREEMENT TMS1002
Fig 5: Adaptive Front-Lighting System - Circuit Diagram (5 Of 6)
G07609930Courtesy of © TOYOTA, LICENSE AGREEMENT TMS1002
Fig 6: Adaptive Front-Lighting System - Circuit Diagram (6 Of 6)
G07609931Courtesy of © TOYOTA, LICENSE AGREEMENT TMS1002