LEMON Manuals: Even more car manuals for everyone: 1960-2025
Home >> Lexus >> 2008 >> RX 400h FWD >> Repair and Diagnosis >> Electrical >> Body Electrical >> OEM System Circuits >> Hybrid System >> Notes
April 5, 2026: LEMON Manuals is launched! Read the announcement.

Hybrid System: Notes

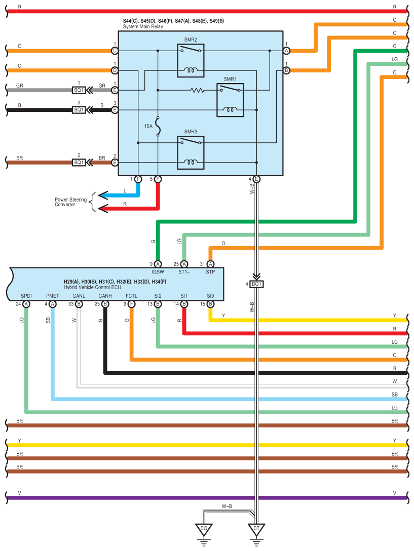
Fig 1: Hybrid System - Circuit Diagram (1 Of 25)
G07609776Courtesy of © TOYOTA, LICENSE AGREEMENT TMS1002
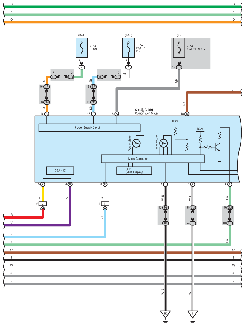
Fig 2: Hybrid System - Circuit Diagram (2 Of 25)
G07609777Courtesy of © TOYOTA, LICENSE AGREEMENT TMS1002
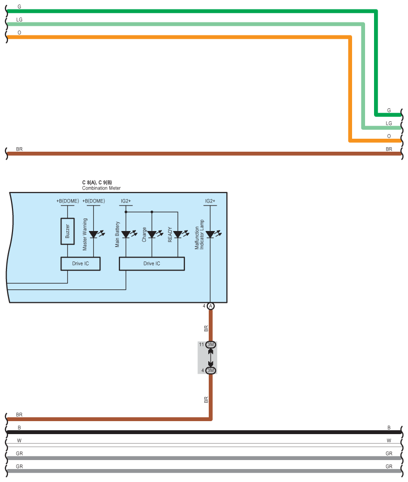
Fig 3: Hybrid System - Circuit Diagram (3 Of 25)
G07609778Courtesy of © TOYOTA, LICENSE AGREEMENT TMS1002
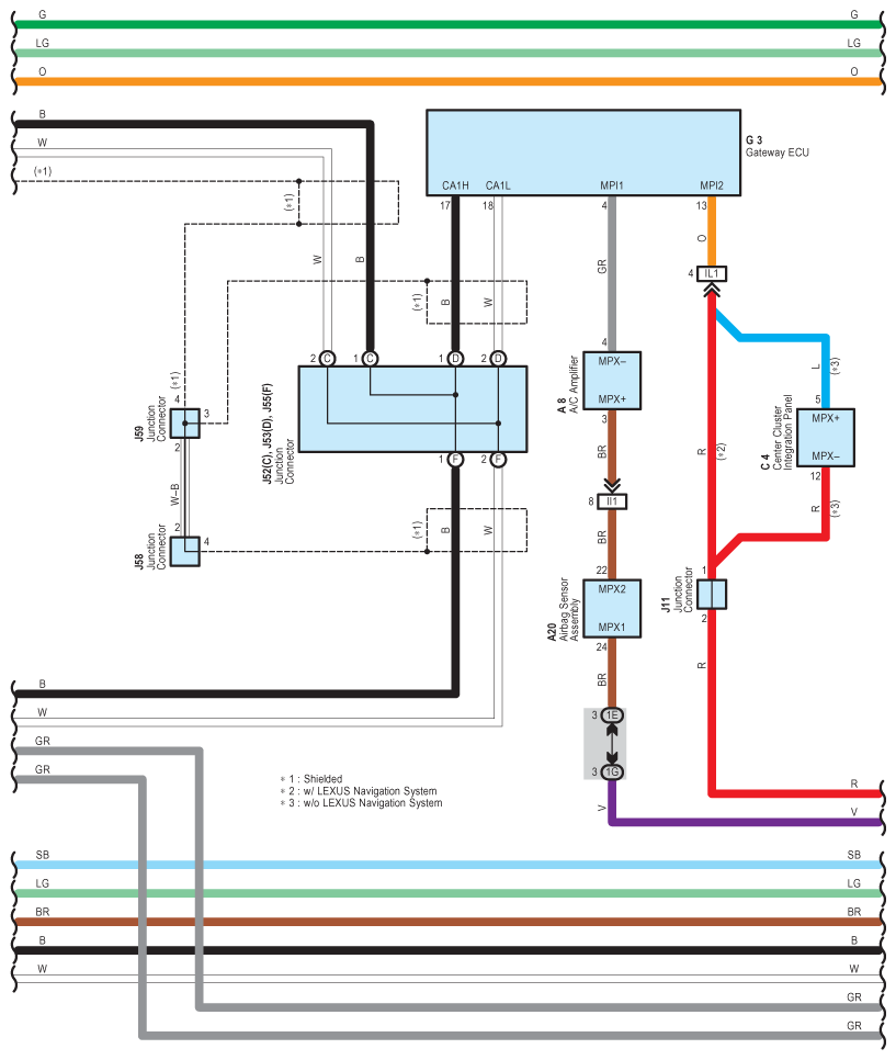
Fig 4: Hybrid System - Circuit Diagram (4 Of 25)
G07609779Courtesy of © TOYOTA, LICENSE AGREEMENT TMS1002
Fig 5: Hybrid System - Circuit Diagram (5 Of 25)
G07609780Courtesy of © TOYOTA, LICENSE AGREEMENT TMS1002
Fig 6: Hybrid System - Circuit Diagram (6 Of 25)
G07609781Courtesy of © TOYOTA, LICENSE AGREEMENT TMS1002
Fig 7: Hybrid System - Circuit Diagram (7 Of 25)
G07609782Courtesy of © TOYOTA, LICENSE AGREEMENT TMS1002
Fig 8: Hybrid System - Circuit Diagram (8 Of 25)
G07609783Courtesy of © TOYOTA, LICENSE AGREEMENT TMS1002
Fig 9: Hybrid System - Circuit Diagram (9 Of 25)
G07609784Courtesy of © TOYOTA, LICENSE AGREEMENT TMS1002
Fig 10: Hybrid System - Circuit Diagram (10 Of 25)
G07609785Courtesy of © TOYOTA, LICENSE AGREEMENT TMS1002
Fig 11: Hybrid System - Circuit Diagram (11 Of 25)
G07609786Courtesy of © TOYOTA, LICENSE AGREEMENT TMS1002
Fig 12: Hybrid System - Circuit Diagram (12 Of 25)
G07609787Courtesy of © TOYOTA, LICENSE AGREEMENT TMS1002
Fig 13: Hybrid System - Circuit Diagram (13 Of 25)
G07609788Courtesy of © TOYOTA, LICENSE AGREEMENT TMS1002
Fig 14: Hybrid System - Circuit Diagram (14 Of 25)
G07609789Courtesy of © TOYOTA, LICENSE AGREEMENT TMS1002
Fig 15: Hybrid System - Circuit Diagram (15 Of 25)
G07609790Courtesy of © TOYOTA, LICENSE AGREEMENT TMS1002
Fig 16: Hybrid System - Circuit Diagram (16 Of 25)
G07609791Courtesy of © TOYOTA, LICENSE AGREEMENT TMS1002
Fig 17: Hybrid System - Circuit Diagram (17 Of 25)
G07609792Courtesy of © TOYOTA, LICENSE AGREEMENT TMS1002
Fig 18: Hybrid System - Circuit Diagram (18 Of 25)
G07609793Courtesy of © TOYOTA, LICENSE AGREEMENT TMS1002
Fig 19: Hybrid System - Circuit Diagram (19 Of 25)
G07609794Courtesy of © TOYOTA, LICENSE AGREEMENT TMS1002
Fig 20: Hybrid System - Circuit Diagram (20 Of 25)
G07609795Courtesy of © TOYOTA, LICENSE AGREEMENT TMS1002
Fig 21: Hybrid System - Circuit Diagram (21 Of 25)
G07609796Courtesy of © TOYOTA, LICENSE AGREEMENT TMS1002
Fig 22: Hybrid System - Circuit Diagram (22 Of 25)
G07609797Courtesy of © TOYOTA, LICENSE AGREEMENT TMS1002
Fig 23: Hybrid System - Circuit Diagram (23 Of 25)
G07609798Courtesy of © TOYOTA, LICENSE AGREEMENT TMS1002
Fig 24: Hybrid System - Circuit Diagram (24 Of 25)
G07609799Courtesy of © TOYOTA, LICENSE AGREEMENT TMS1002
Fig 25: Hybrid System - Circuit Diagram (25 Of 25)
G07609800Courtesy of © TOYOTA, LICENSE AGREEMENT TMS1002