LEMON Manuals: Even more car manuals for everyone: 1960-2025
Home >> Lexus >> 2008 >> SC 430 >> Repair and Diagnosis (Single Page) >> Electrical >> Body Electrical >> OEM System Circuits >> Automatic Air Conditioning >> Notes
April 5, 2026: LEMON Manuals is launched! Read the announcement.

Automatic Air Conditioning: Notes

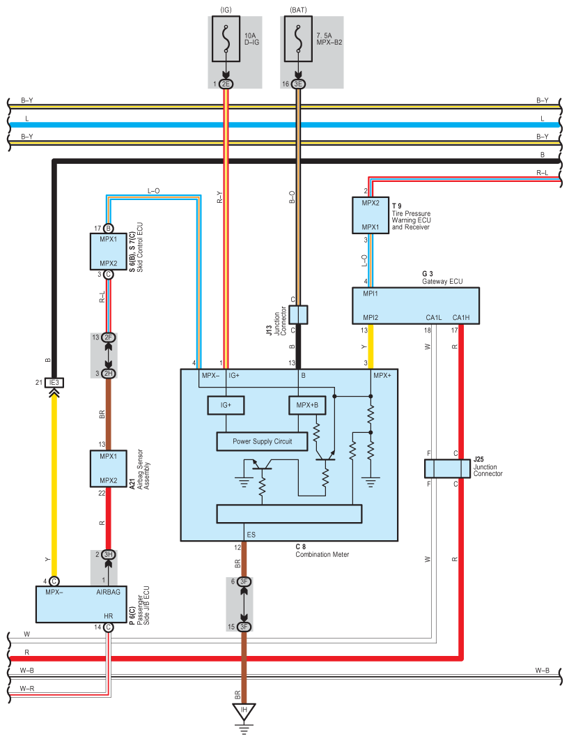
Fig 1: Automatic Air Conditioning - Circuit Diagram (1 Of 5)
G07612095Courtesy of © TOYOTA, LICENSE AGREEMENT TMS1002
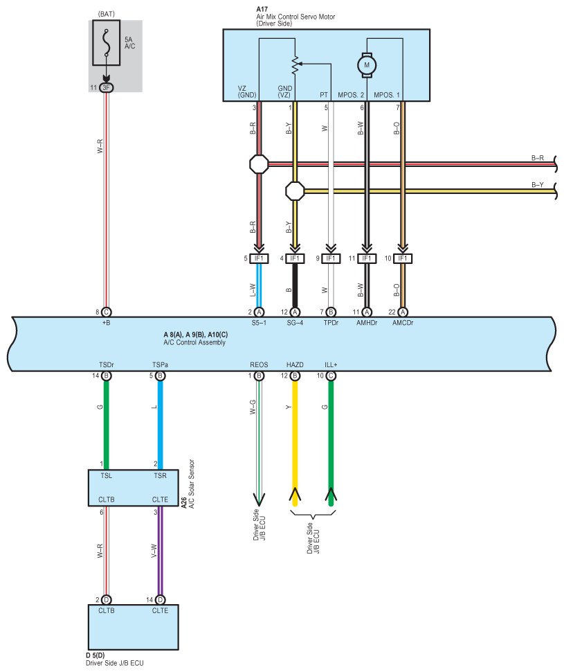
Fig 2: Automatic Air Conditioning - Circuit Diagram (2 Of 5)
G07612096Courtesy of © TOYOTA, LICENSE AGREEMENT TMS1002
Fig 3: Automatic Air Conditioning - Circuit Diagram (3 Of 5)
G07612824Courtesy of © TOYOTA, LICENSE AGREEMENT TMS1002
Fig 4: Automatic Air Conditioning - Circuit Diagram (4 Of 5)
G07612097Courtesy of © TOYOTA, LICENSE AGREEMENT TMS1002
Fig 5: Automatic Air Conditioning - Circuit Diagram (5 Of 5)
G07612098Courtesy of © TOYOTA, LICENSE AGREEMENT TMS1002