LEMON Manuals: Even more car manuals for everyone: 1960-2025
Home >> Lexus >> 2008 >> SC 430 >> Repair and Diagnosis (Single Page) >> Electrical >> Body Electrical >> OEM System Circuits >> LEXUS Navigation System >> Notes
April 5, 2026: LEMON Manuals is launched! Read the announcement.

LEXUS Navigation System: Notes

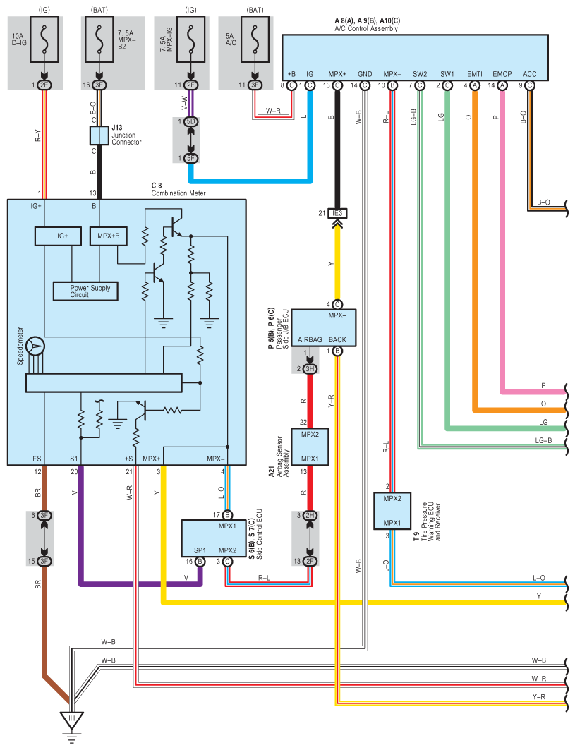
Fig 1: Lexus Navigation System - Circuit Diagram (1 Of 5)
G07612079Courtesy of © TOYOTA, LICENSE AGREEMENT TMS1002
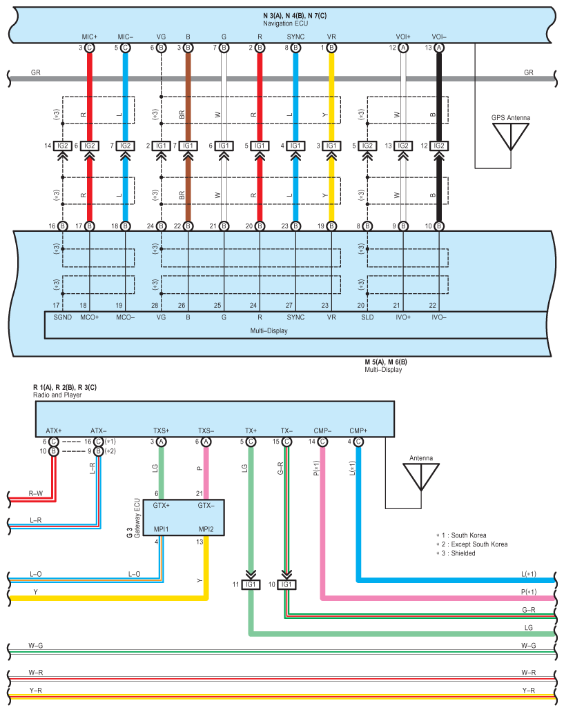
Fig 2: Lexus Navigation System - Circuit Diagram (2 Of 5)
G07612080Courtesy of © TOYOTA, LICENSE AGREEMENT TMS1002
Fig 3: Lexus Navigation System - Circuit Diagram (3 Of 5)
G07612081Courtesy of © TOYOTA, LICENSE AGREEMENT TMS1002
Fig 4: Lexus Navigation System - Circuit Diagram (4 Of 5)
G07612082Courtesy of © TOYOTA, LICENSE AGREEMENT TMS1002
Fig 5: Lexus Navigation System - Circuit Diagram (5 Of 5)
G07612083Courtesy of © TOYOTA, LICENSE AGREEMENT TMS1002