LEMON Manuals: Even more car manuals for everyone: 1960-2025
Home >> Lexus >> 2008 >> SC 430 >> Repair and Diagnosis >> Brakes >> Traction Control >> Brake Control >> Vehicle Stability Control System >> Slip Indicator Light Circuit >> Wiring Diagram
April 5, 2026: LEMON Manuals is launched! Read the announcement.

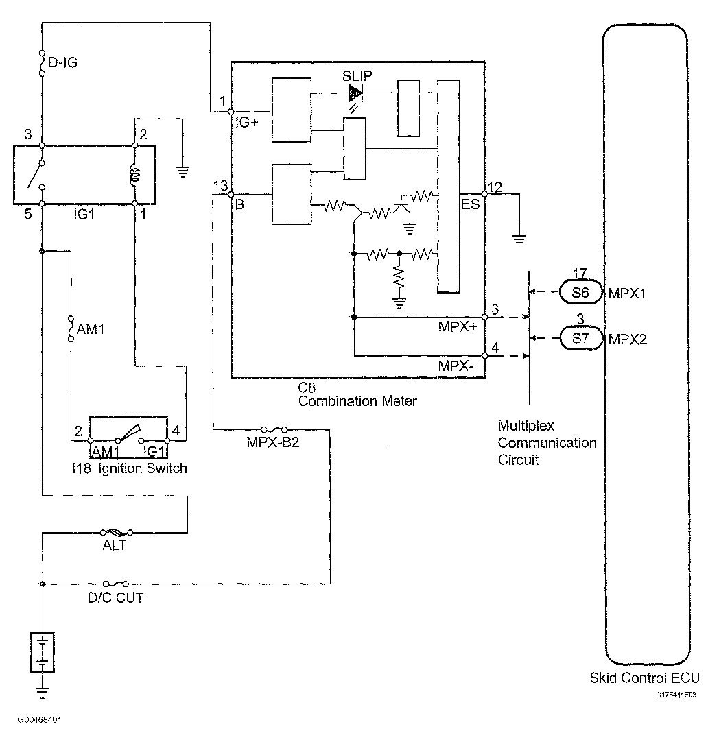
Slip Indicator Light Circuit: Wiring Diagram

Fig 1: Slip Indicator Light Circuit - Wiring Diagram
G00468401Courtesy of © TOYOTA, LICENSE AGREEMENT TMS1002