LEMON Manuals: Even more car manuals for everyone: 1960-2025
Home >> Lexus >> 2008 >> SC 430 >> Repair and Diagnosis >> Electrical >> Body Electrical >> OEM System Circuits >> Interior Light >> Notes
April 5, 2026: LEMON Manuals is launched! Read the announcement.

Interior Light: Notes

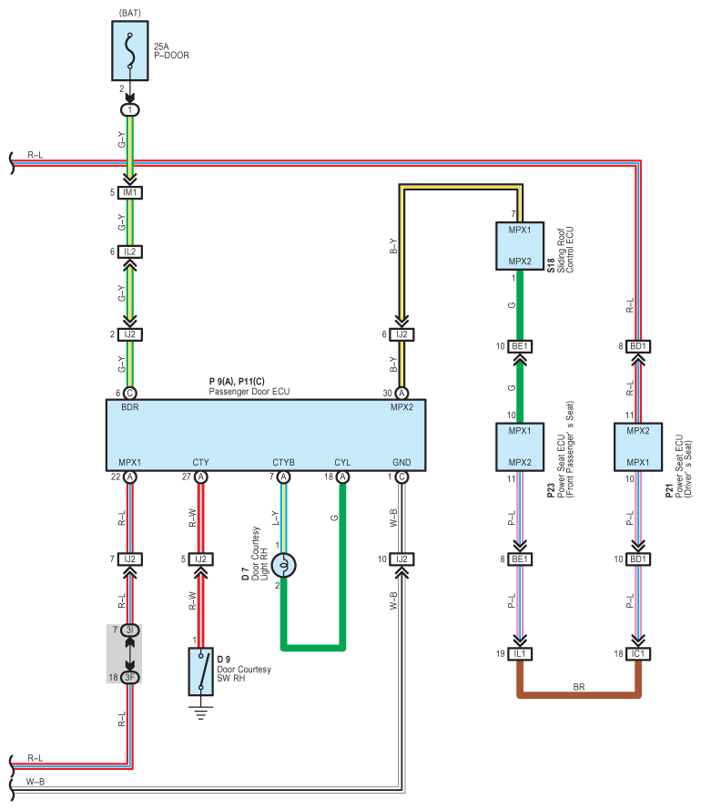
Fig 1: Interior Light - Circuit Diagram (1 Of 5)
G07611989Courtesy of © TOYOTA, LICENSE AGREEMENT TMS1002
Fig 2: Interior Light - Circuit Diagram (2 Of 5)
G07611990Courtesy of © TOYOTA, LICENSE AGREEMENT TMS1002
Fig 3: Interior Light - Circuit Diagram (3 Of 5)
G07611991Courtesy of © TOYOTA, LICENSE AGREEMENT TMS1002
Fig 4: Interior Light - Circuit Diagram (4 Of 5)
G07611992Courtesy of © TOYOTA, LICENSE AGREEMENT TMS1002
Fig 5: Interior Light - Circuit Diagram (5 Of 5)
G07611993Courtesy of © TOYOTA, LICENSE AGREEMENT TMS1002