LEMON Manuals: Even more car manuals for everyone: 1960-2025
Home >> Lexus >> 2008 >> SC 430 >> Repair and Diagnosis >> Electrical >> Body Electrical >> OEM System Circuits >> Multiplex Communication System - Door ECU >> Notes
April 5, 2026: LEMON Manuals is launched! Read the announcement.

Multiplex Communication System - Door ECU: Notes

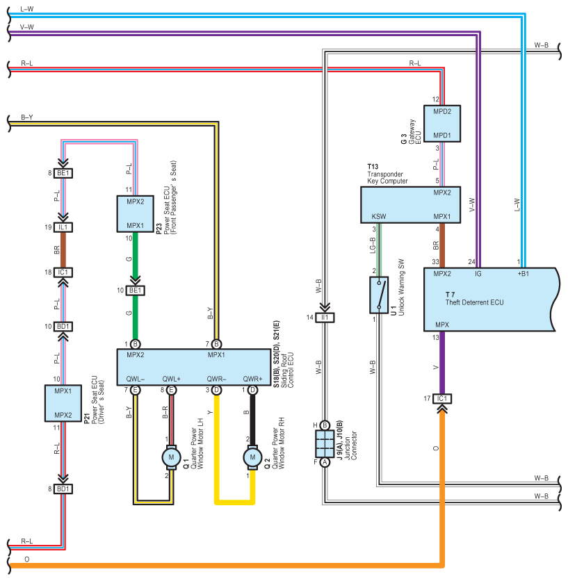
Fig 1: Multiplex Communication System (Door ECU) - Circuit Diagram (1 Of 7)
G07611965Courtesy of © TOYOTA, LICENSE AGREEMENT TMS1002
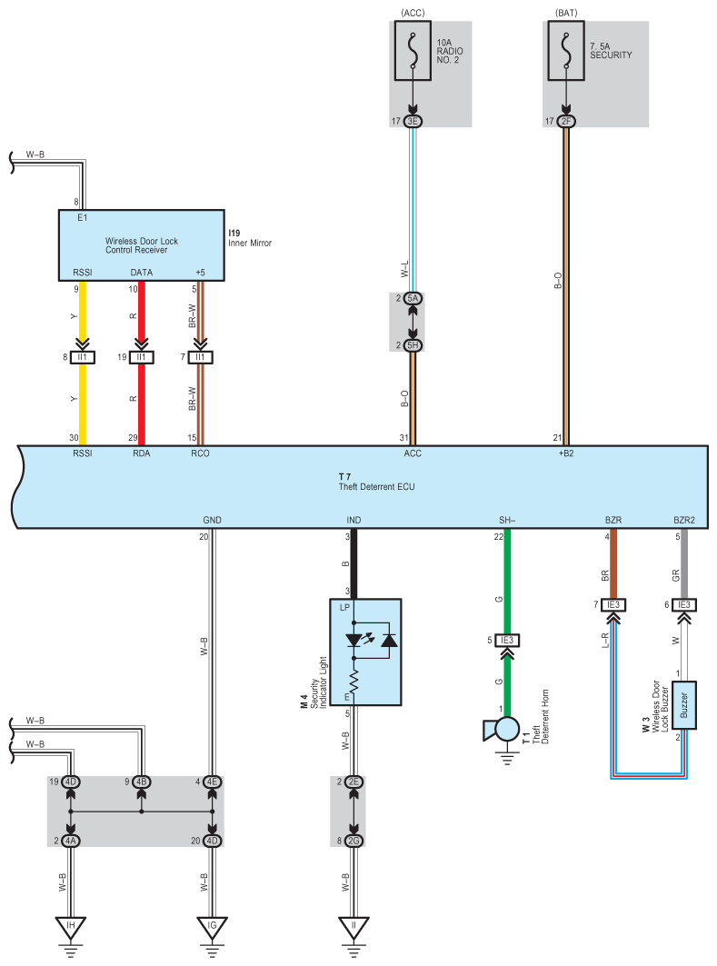
Fig 2: Multiplex Communication System (Door ECU) - Circuit Diagram (2 Of 7)
G07611966Courtesy of © TOYOTA, LICENSE AGREEMENT TMS1002
Fig 3: Multiplex Communication System (Door ECU) - Circuit Diagram (3 Of 7)
G07611967Courtesy of © TOYOTA, LICENSE AGREEMENT TMS1002
Fig 4: Multiplex Communication System (Door ECU) - Circuit Diagram (4 Of 7)
G07611968Courtesy of © TOYOTA, LICENSE AGREEMENT TMS1002
Fig 5: Multiplex Communication System (Door ECU) - Circuit Diagram (5 Of 7)
G07611969Courtesy of © TOYOTA, LICENSE AGREEMENT TMS1002
Fig 6: Multiplex Communication System (Door ECU) - Circuit Diagram (6 Of 7)
G07611970Courtesy of © TOYOTA, LICENSE AGREEMENT TMS1002
Fig 7: Multiplex Communication System (Door ECU) - Circuit Diagram (7 Of 7)
G07611971Courtesy of © TOYOTA, LICENSE AGREEMENT TMS1002