LEMON Manuals: Even more car manuals for everyone: 1960-2025
Home >> Lexus >> 2008 >> SC 430 >> Repair and Diagnosis >> Electrical >> Charging Systems >> Charging >> Charging System >> System Diagram
April 5, 2026: LEMON Manuals is launched! Read the announcement.

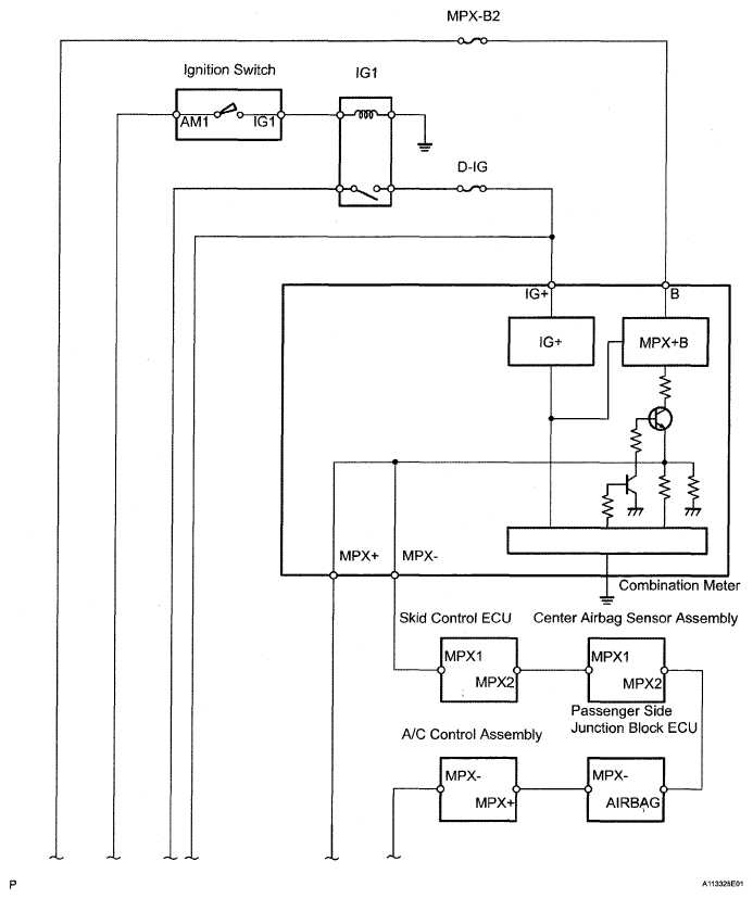
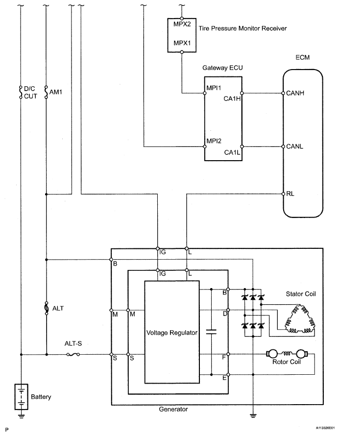
System Diagram

The charging system uses the voltage regulator to regulate electricity that is generated by the rotor coil rotations. This electricity is stored in the battery.

Fig 1: Charging System Diagram (1 Of 2)
G05289472Courtesy of © TOYOTA, LICENSE AGREEMENT TMS1002
Fig 2: Charging System Diagram (2 Of 2)
G05289473Courtesy of © TOYOTA, LICENSE AGREEMENT TMS1002