LEMON Manuals: Even more car manuals for everyone: 1960-2025
Home >> Lexus >> 2008 >> SC 430 >> Repair and Diagnosis >> External Pages >> Different car >> Section 46 (Navigation) >> Navigation System >> Multi-display Power Source Circuit >> Wiring Diagram
April 5, 2026: LEMON Manuals is launched! Read the announcement.

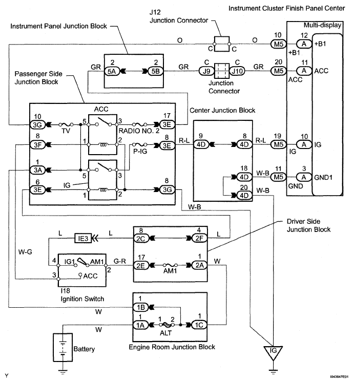
Multi-display Power Source Circuit: Wiring Diagram

WARNING: This page is about a different car, the 2007 Lexus SC 430. However, it is still accessible from the selected car via links, so may be relevant.
Fig 1: Multi-Display Power Source - Wiring Diagram
G05293358Courtesy of © TOYOTA, LICENSE AGREEMENT TMS1002