LEMON Manuals: Even more car manuals for everyone: 1960-2025
Home >> Lexus >> 2009 >> ES 350 >> Repair and Diagnosis (Single Page) >> Electrical >> Body Electrical >> OEM System Circuits >> Headlight >> Notes
April 5, 2026: LEMON Manuals is launched! Read the announcement.

OEM System Circuits: Headlight: Notes

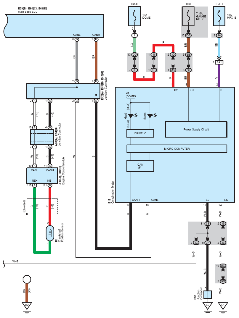
Fig 1: Headlight - Circuit Diagram (1 Of 4)
G07625096Courtesy of © TOYOTA, LICENSE AGREEMENT TMS1002
Fig 2: Headlight - Circuit Diagram (2 Of 4)
G07625097Courtesy of © TOYOTA, LICENSE AGREEMENT TMS1002
Fig 3: Headlight - Circuit Diagram (3 Of 4)
G07625098Courtesy of © TOYOTA, LICENSE AGREEMENT TMS1002
Fig 4: Headlight - Circuit Diagram (4 Of 4)
G07625099Courtesy of © TOYOTA, LICENSE AGREEMENT TMS1002