LEMON Manuals: Even more car manuals for everyone: 1960-2025
Home >> Lexus >> 2009 >> ES 350 >> Repair and Diagnosis >> Body & Frame >> Windows >> Power Window Control System (Diagnostic Codes & Circuit Tests) >> Power Window Control System >> DTC B2312: Power Window Switch Malfunction >> Wiring Diagram
April 5, 2026: LEMON Manuals is launched! Read the announcement.

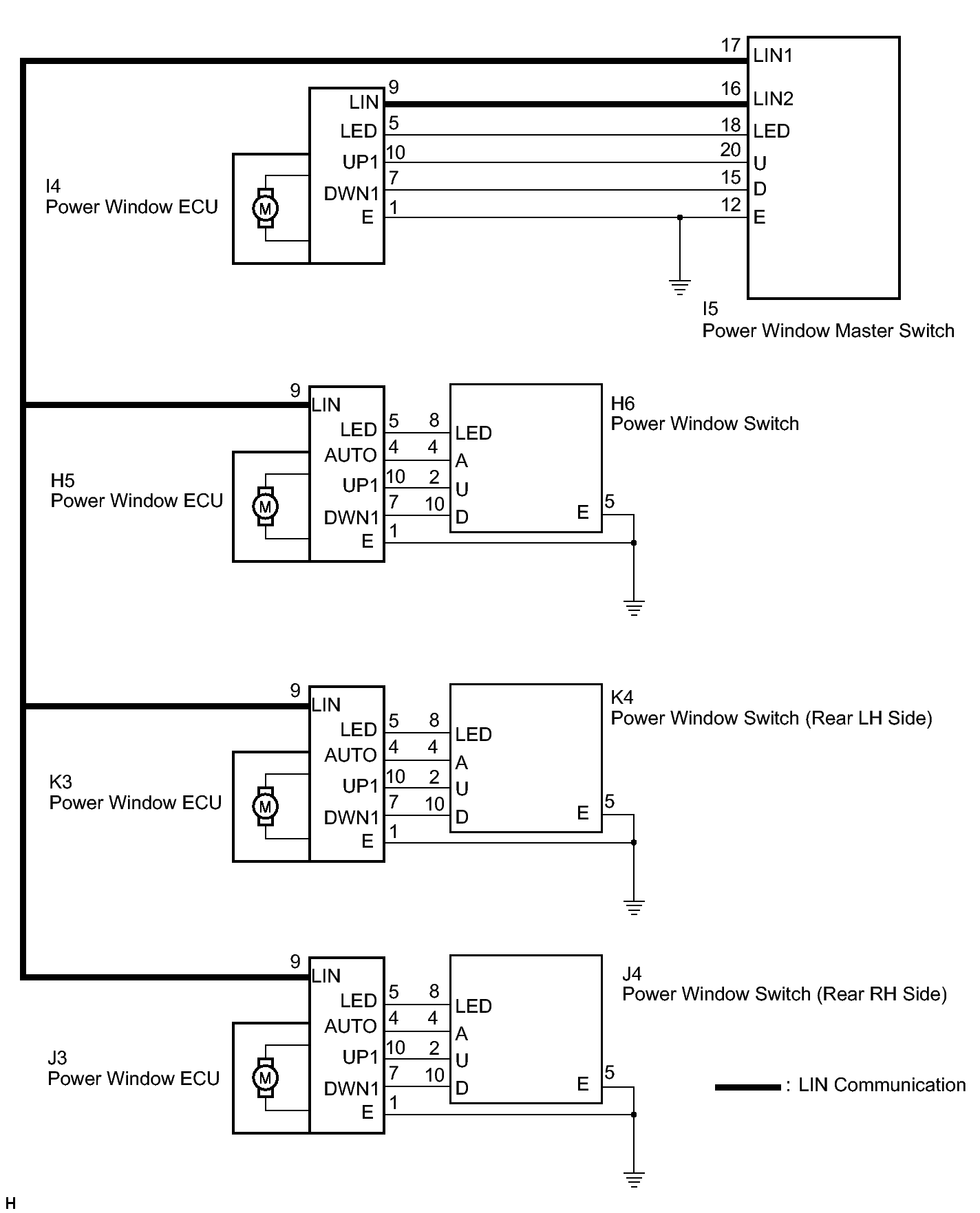
DTC B2312: Power Window Switch Malfunction: Wiring Diagram

Fig 1: Power Window Switch - Wiring Diagram
GTY144148Courtesy of © TOYOTA, LICENSE AGREEMENT TMS1002