LEMON Manuals: Even more car manuals for everyone: 1960-2025
Home >> Lexus >> 2009 >> ES 350 >> Repair and Diagnosis >> Body & Frame >> Windows >> Power Window Control System (Diagnostic Codes & Circuit Tests) >> Power Window Control System >> Ecu Power Source Circuit >> Wiring Diagram
April 5, 2026: LEMON Manuals is launched! Read the announcement.

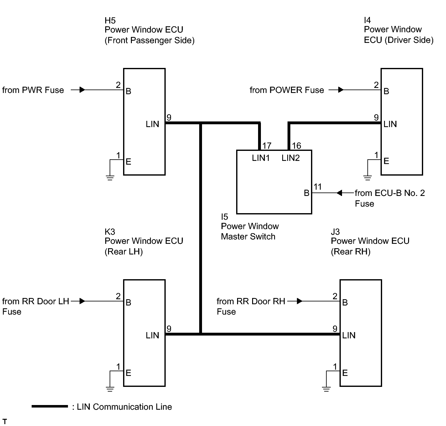
Ecu Power Source Circuit: Wiring Diagram

Fig 1: ECU Power Source Circuit - Wiring Diagram
GTY116124Courtesy of © TOYOTA, LICENSE AGREEMENT TMS1002