LEMON Manuals: Even more car manuals for everyone: 1960-2025
Home >> Lexus >> 2009 >> ES 350 >> Repair and Diagnosis >> Engine Performance >> System >> Engine Control (SFI) System (Diagnostic Codes & Circuit Tests) >> SFI System >> DTC P0705: Transmission Range Sensor Circuit Malfunction (PRNDL Input) >> Wiring Diagram
April 5, 2026: LEMON Manuals is launched! Read the announcement.

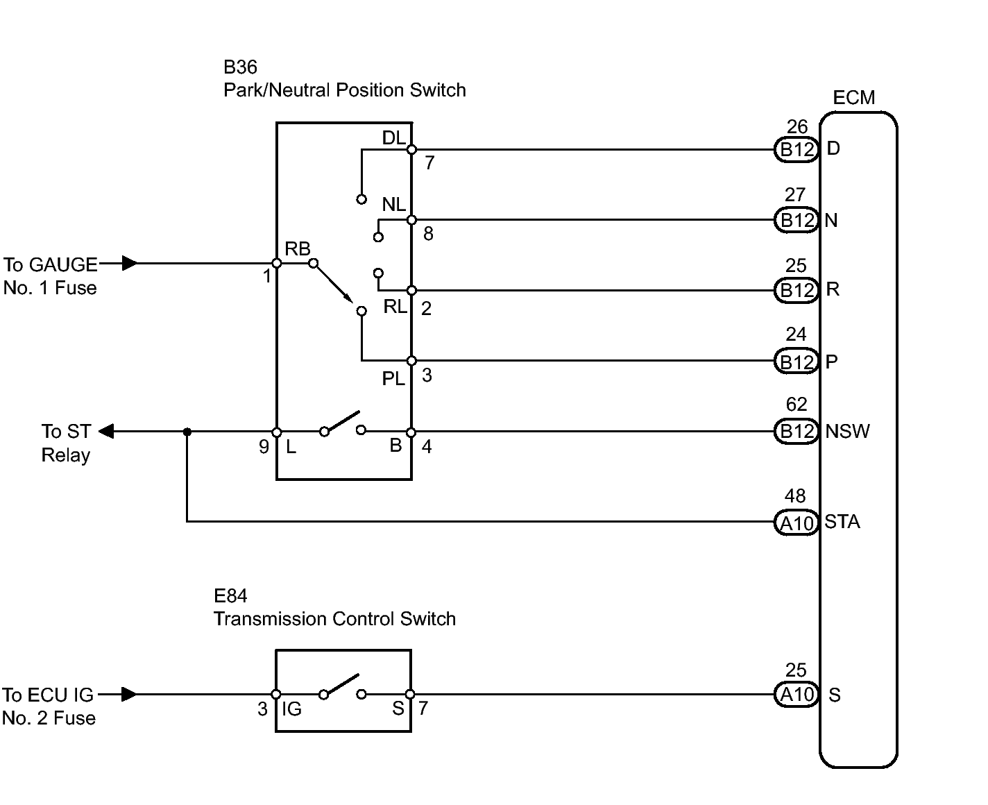
DTC P0705: Transmission Range Sensor Circuit Malfunction (PRNDL Input): Wiring Diagram

Fig 1: Identifying Transmission Range Sensor Wiring Diagram
GTY139014Courtesy of © TOYOTA, LICENSE AGREEMENT TMS1002