LEMON Manuals: Even more car manuals for everyone: 1960-2025
Home >> Lexus >> 2009 >> GS 350 AWD V6-3.5L (2GR-FSE) >> Repair and Diagnosis >> Powertrain Management >> Computers and Control Systems >> Information Bus >> Testing and Inspection >> Component Tests and General Diagnostics >> Skid Control ECU Communication Stop Mode
April 5, 2026: LEMON Manuals is launched! Read the announcement.

Skid Control ECU Communication Stop Mode








CAN COMMUNICATION: CAN COMMUNICATION SYSTEM: Skid Control ECU Communication Stop Mode

Skid Control ECU Communication Stop Mode

DESCRIPTION





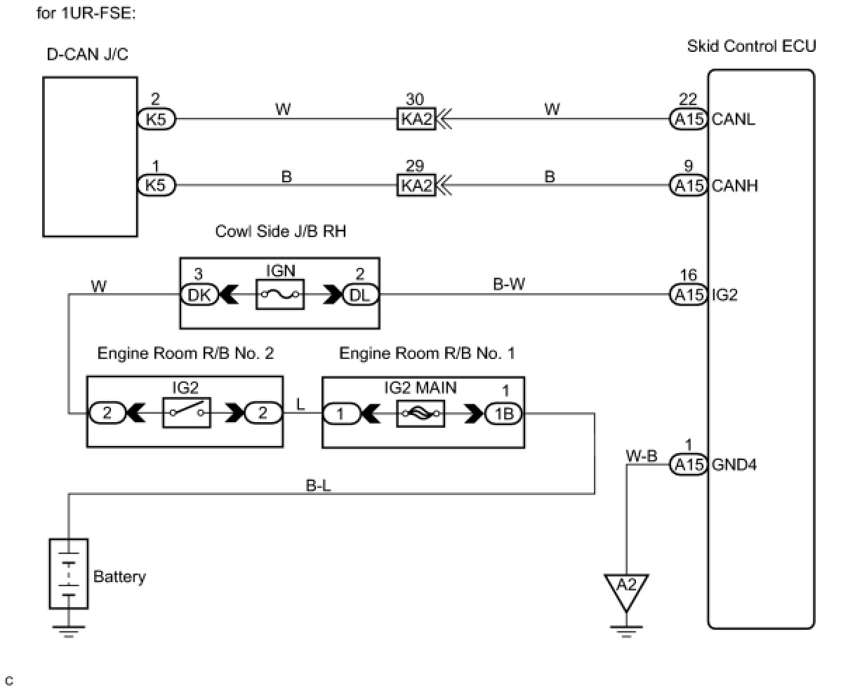
WIRING DIAGRAM









INSPECTION PROCEDURE

PROCEDURE

1. CHECK THE VEHICLE TYPE
(a) Check the engine model of the vehicle.
Result:






B -- CHECK CAN BUS LINE FOR DISCONNECTION (SKID CONTROL ECU SUB BUS LINE)
A -- Continue to next step.

2. CHECK CAN BUS LINE FOR DISCONNECTION (SKID CONTROL ECU SUB BUS LINE)
(a) Turn the engine switch off.
(b) Disconnect the skid control ECU connector (L121).




(c) Measure the resistance according to the value(s) in the table below.
Standard resistance:






NG -- REPAIR OR REPLACE SKID CONTROL ECU SUB BUS LINE OR CONNECTOR (CAN-H, CAN-L)
OK -- Continue to next step.

3. CHECK WIRE HARNESS (IG1, GND1)




(a) Measure the resistance according to the value(s) in the table below.
Standard resistance:





(b) Measure the voltage according to the value(s) in the table below.
Standard voltage:






NG -- REPAIR OR REPLACE WIRE HARNESS OR CONNECTOR
OK -- REPLACE SKID CONTROL ECU
4. CHECK CAN BUS LINE FOR DISCONNECTION (SKID CONTROL ECU SUB BUS LINE)
(a) Turn the engine switch off.
(b) Disconnect the skid control ECU connector (A15).




(c) Measure the resistance according to the value(s) in the table below.
Standard resistance:






NG -- REPAIR OR REPLACE SKID CONTROL ECU SUB BUS LINE OR CONNECTOR (CAN-H, CAN-L)
OK -- Continue to next step.

5. CHECK WIRE HARNESS (IG2, GND4)




(a) Measure the resistance according to the value(s) in the table below.
Standard resistance:





(b) Measure the voltage according to the value(s) in the table below.
Standard voltage:






NG -- REPAIR OR REPLACE WIRE HARNESS OR CONNECTOR
OK -- REPLACE SKID CONTROL ECU