LEMON Manuals: Even more car manuals for everyone: 1960-2025
Home >> Lexus >> 2009 >> GS 350 AWD V6-3.5L (2GR-FSE) >> Repair and Diagnosis >> Powertrain Management >> Computers and Control Systems >> Information Bus >> Testing and Inspection >> Component Tests and General Diagnostics >> Steering Control ECU Communication Stop Mode
April 5, 2026: LEMON Manuals is launched! Read the announcement.

Steering Control ECU Communication Stop Mode








CAN COMMUNICATION: CAN COMMUNICATION SYSTEM: Steering Control ECU Communication Stop Mode

Steering Control ECU Communication Stop Mode

DESCRIPTION





HINT: For vehicles with 1UR-FSE only.

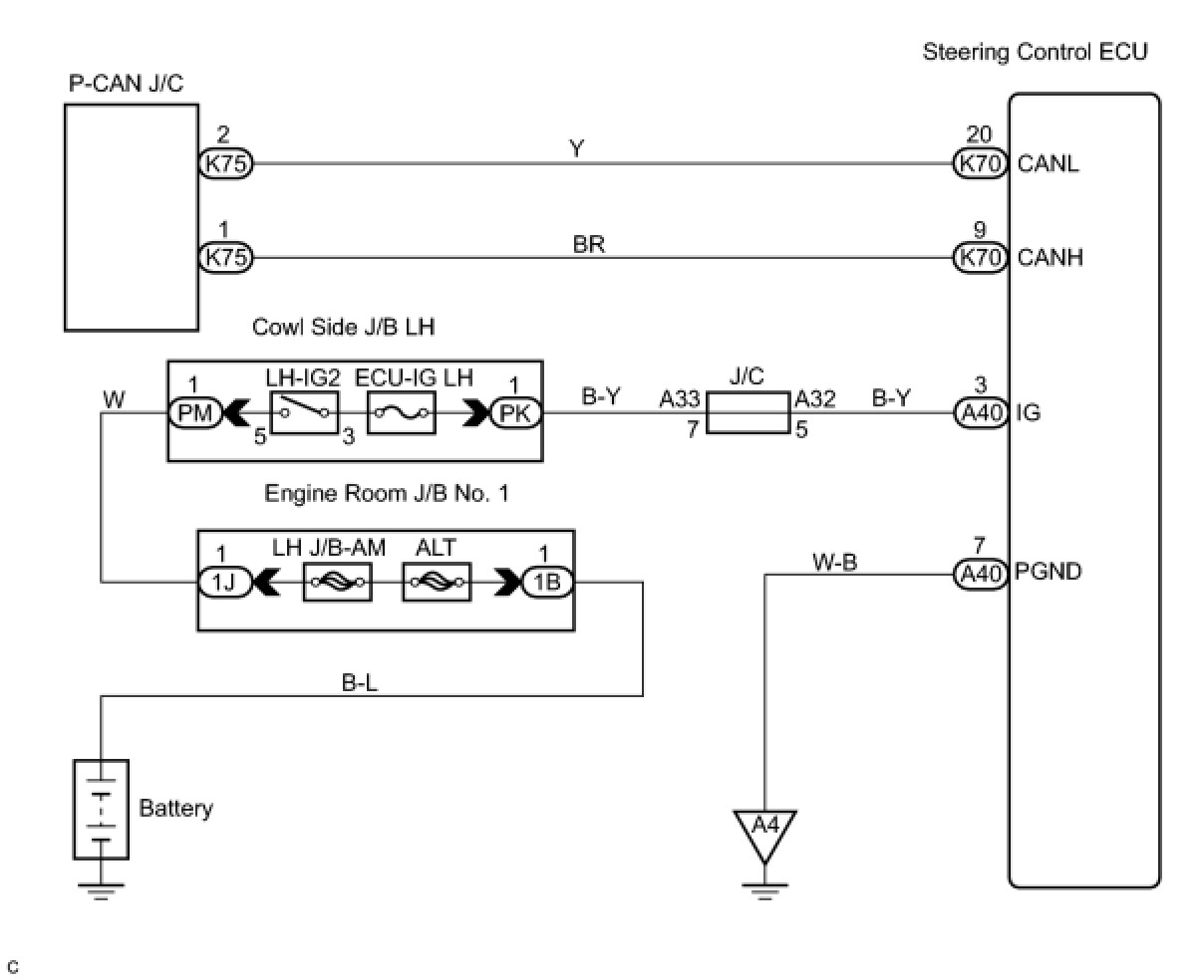
WIRING DIAGRAM





INSPECTION PROCEDURE

PROCEDURE

1. CHECK CAN BUS LINE FOR DISCONNECTION (STEERING CONTROL ECU SUB BUS LINE)
(a) Turn the engine switch off.
(b) Disconnect the steering control ECU connector (K70).




(c) Measure the resistance according to the value(s) in the table below.
Standard resistance:






NG -- REPAIR OR REPLACE STEERING CONTROL ECU SUB BUS LINE OR CONNECTOR (CAN-H, CAN-L)
OK -- Continue to next step.

2. CHECK WIRE HARNESS (IG, PGND)
(a) Reconnect the steering control ECU connector (K70).
(b) Disconnect the steering control ECU connector (A40).




(c) Measure the resistance according to the value(s) in the table below.
Standard resistance:





(d) Measure the voltage according to the value(s) in the table below.
Standard voltage:






NG -- REPAIR OR REPLACE HARNESS OR CONNECTOR
OK -- REPLACE STEERING CONTROL ECU