LEMON Manuals: Even more car manuals for everyone: 1960-2025
Home >> Lexus >> 2009 >> GS 350 AWD >> Repair and Diagnosis >> Electrical >> Body Electrical >> OEM System Circuits >> 4WD >> Notes
April 5, 2026: LEMON Manuals is launched! Read the announcement.

OEM System Circuits: 4WD: Notes

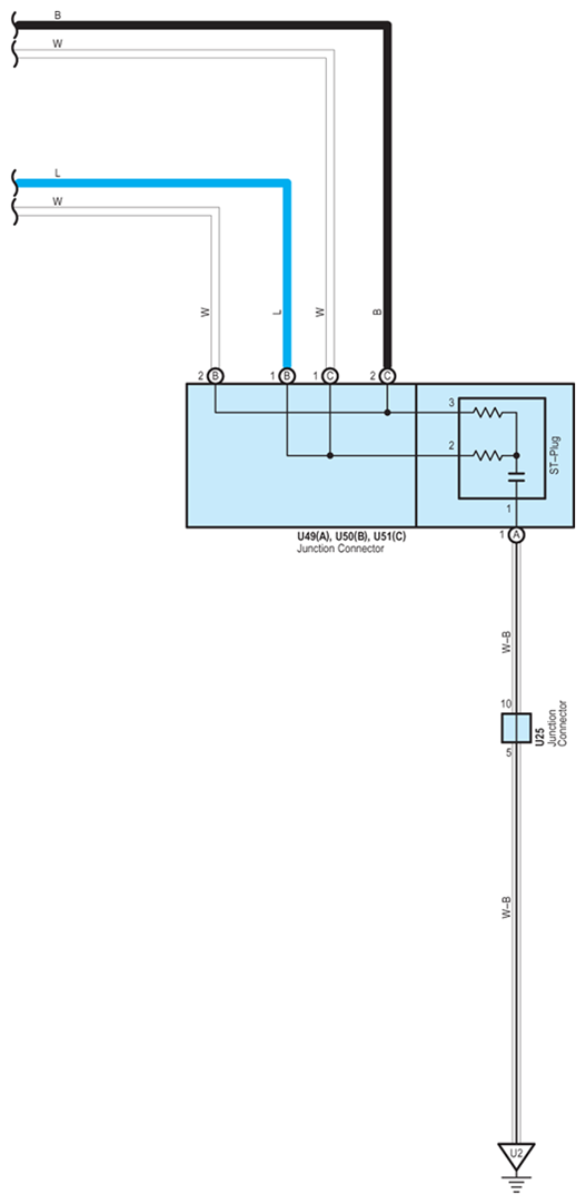
Fig 1: 4WD - Circuit Diagram (1 Of 4)
G07595674Courtesy of © TOYOTA, LICENSE AGREEMENT TMS1002
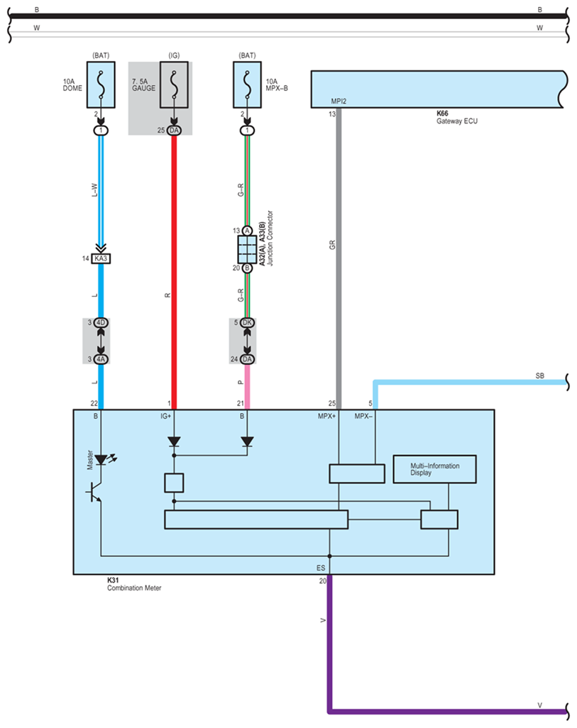
Fig 2: 4WD - Circuit Diagram (2 Of 4)
G07595675Courtesy of © TOYOTA, LICENSE AGREEMENT TMS1002
Fig 3: 4WD - Circuit Diagram (3 Of 4)
G07595676Courtesy of © TOYOTA, LICENSE AGREEMENT TMS1002
Fig 4: 4WD - Circuit Diagram (4 Of 4)
G07595677Courtesy of © TOYOTA, LICENSE AGREEMENT TMS1002