LEMON Manuals: Even more car manuals for everyone: 1960-2025
Home >> Lexus >> 2009 >> GS 350 AWD >> Repair and Diagnosis >> Electrical >> Body Electrical >> OEM System Circuits >> Rear Fog Light >> Notes
April 5, 2026: LEMON Manuals is launched! Read the announcement.

Rear Fog Light: Notes

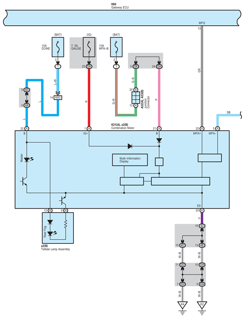
Fig 1: Rear Fog Light - Circuit Diagram (1 Of 5)
G07595496Courtesy of © TOYOTA, LICENSE AGREEMENT TMS1002
Fig 2: Rear Fog Light - Circuit Diagram (2 Of 5)
G07595497Courtesy of © TOYOTA, LICENSE AGREEMENT TMS1002
Fig 3: Rear Fog Light - Circuit Diagram (3 Of 5)
G07595498Courtesy of © TOYOTA, LICENSE AGREEMENT TMS1002
Fig 4: Rear Fog Light - Circuit Diagram (4 Of 5)
G07595499Courtesy of © TOYOTA, LICENSE AGREEMENT TMS1002
Fig 5: Rear Fog Light - Circuit Diagram (5 Of 5)
G07595500Courtesy of © TOYOTA, LICENSE AGREEMENT TMS1002