LEMON Manuals: Even more car manuals for everyone: 1960-2025
Home >> Lexus >> 2009 >> GS 450h >> Repair and Diagnosis >> Electrical >> Body Electrical >> OEM System Circuits >> Active Stabilizer Suspension System >> Notes
April 5, 2026: LEMON Manuals is launched! Read the announcement.

Active Stabilizer Suspension System: Notes

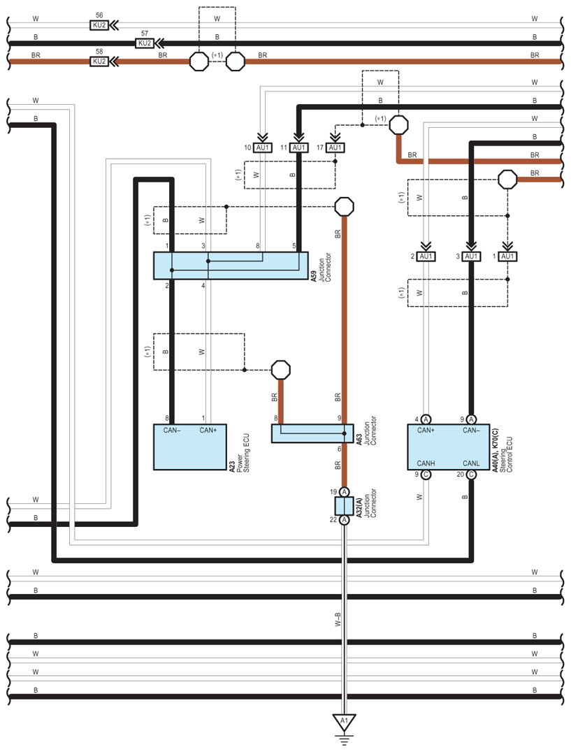
Fig 1: Active Stabilizer Suspension System - Circuit Diagram (1 Of 10)
G07617127Courtesy of © TOYOTA, LICENSE AGREEMENT TMS1002
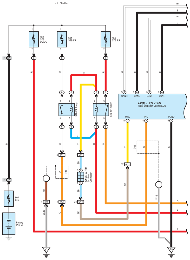
Fig 2: Active Stabilizer Suspension System - Circuit Diagram (2 Of 10)
G07617128Courtesy of © TOYOTA, LICENSE AGREEMENT TMS1002
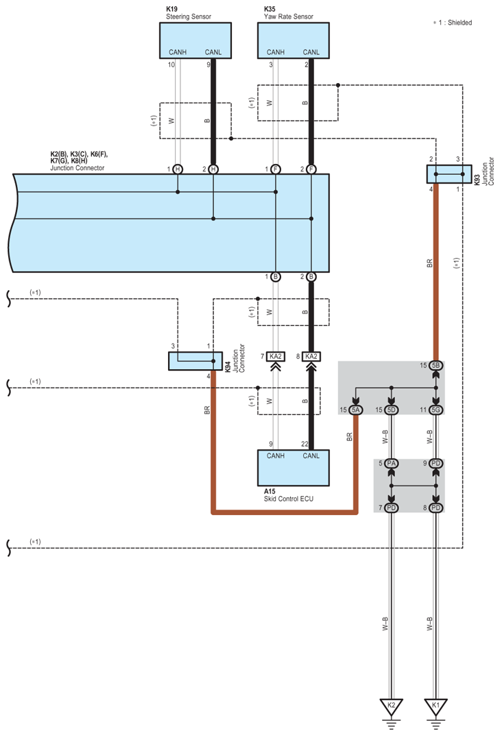
Fig 3: Active Stabilizer Suspension System - Circuit Diagram (3 Of 10)
G07617129Courtesy of © TOYOTA, LICENSE AGREEMENT TMS1002
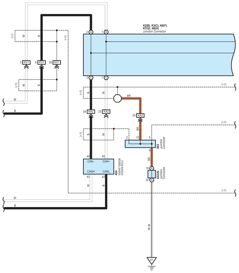
Fig 4: Active Stabilizer Suspension System - Circuit Diagram (4 Of 10)
G07617130Courtesy of © TOYOTA, LICENSE AGREEMENT TMS1002
Fig 5: Active Stabilizer Suspension System - Circuit Diagram (5 Of 10)
G07617131Courtesy of © TOYOTA, LICENSE AGREEMENT TMS1002
Fig 6: Active Stabilizer Suspension System - Circuit Diagram (6 Of 10)
G07617132Courtesy of © TOYOTA, LICENSE AGREEMENT TMS1002
Fig 7: Active Stabilizer Suspension System - Circuit Diagram (7 Of 10)
G07617133Courtesy of © TOYOTA, LICENSE AGREEMENT TMS1002
Fig 8: Active Stabilizer Suspension System - Circuit Diagram (8 Of 10)
G07617134Courtesy of © TOYOTA, LICENSE AGREEMENT TMS1002
Fig 9: Active Stabilizer Suspension System - Circuit Diagram (9 Of 10)
G07617135Courtesy of © TOYOTA, LICENSE AGREEMENT TMS1002
Fig 10: Active Stabilizer Suspension System - Circuit Diagram (10 Of 10)
G07617136Courtesy of © TOYOTA, LICENSE AGREEMENT TMS1002