LEMON Manuals: Even more car manuals for everyone: 1960-2025
Home >> Lexus >> 2009 >> GS 450h >> Repair and Diagnosis >> Electrical >> Body Electrical >> OEM System Circuits >> Horn >> Notes
April 5, 2026: LEMON Manuals is launched! Read the announcement.

OEM System Circuits: Horn: Notes

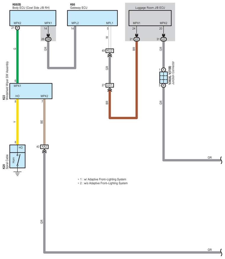
Fig 1: Horn - Circuit Diagram (1 Of 2)
G07617199Courtesy of © TOYOTA, LICENSE AGREEMENT TMS1002
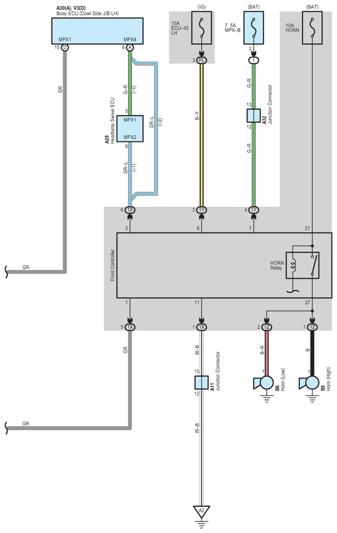
Fig 2: Horn - Circuit Diagram (2 Of 2)
G07617200Courtesy of © TOYOTA, LICENSE AGREEMENT TMS1002