LEMON Manuals: Even more car manuals for everyone: 1960-2025
Home >> Lexus >> 2009 >> GS 450h >> Repair and Diagnosis >> Electrical >> Body Electrical >> OEM System Circuits >> Power Window >> Notes
April 5, 2026: LEMON Manuals is launched! Read the announcement.

Power Window: Notes

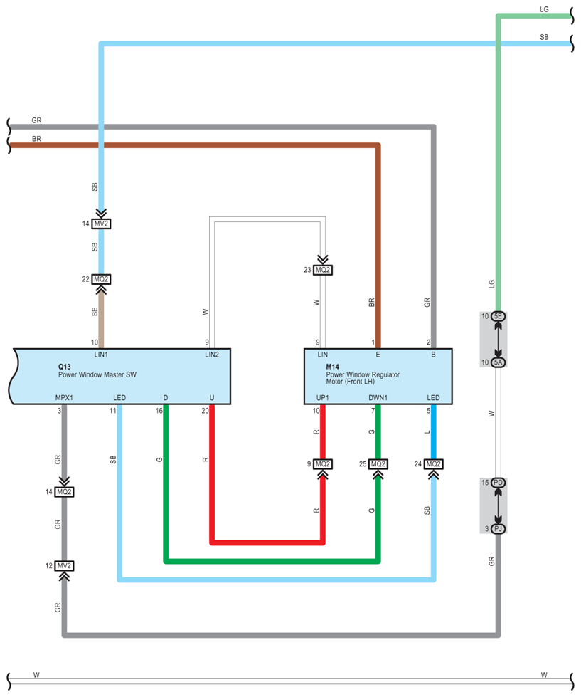
Fig 1: Power Window - Circuit Diagram (1 Of 8)
G07617008Courtesy of © TOYOTA, LICENSE AGREEMENT TMS1002
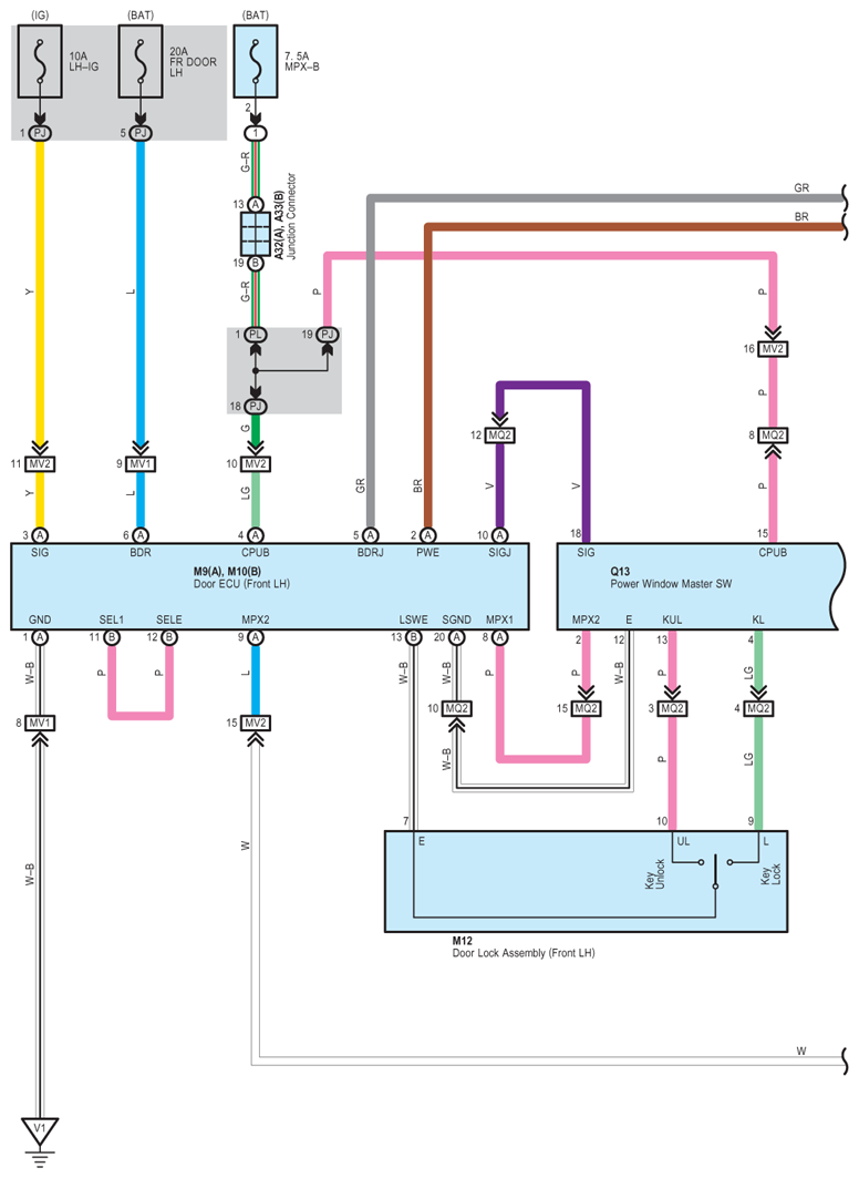
Fig 2: Power Window - Circuit Diagram (2 Of 8)
G07617009Courtesy of © TOYOTA, LICENSE AGREEMENT TMS1002
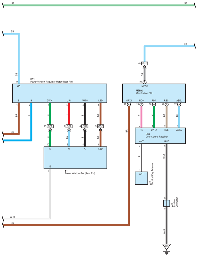
Fig 3: Power Window - Circuit Diagram (3 Of 8)
G07617010Courtesy of © TOYOTA, LICENSE AGREEMENT TMS1002
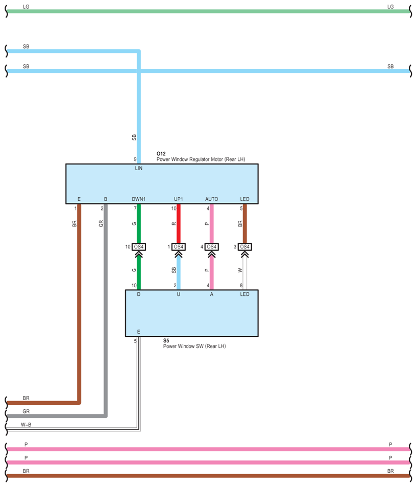
Fig 4: Power Window - Circuit Diagram (4 Of 8)
G07617011Courtesy of © TOYOTA, LICENSE AGREEMENT TMS1002
Fig 5: Power Window - Circuit Diagram (5 Of 8)
G07617012Courtesy of © TOYOTA, LICENSE AGREEMENT TMS1002
Fig 6: Power Window - Circuit Diagram (6 Of 8)
G07617013Courtesy of © TOYOTA, LICENSE AGREEMENT TMS1002
Fig 7: Power Window - Circuit Diagram (7 Of 8)
G07617014Courtesy of © TOYOTA, LICENSE AGREEMENT TMS1002
Fig 8: Power Window - Circuit Diagram (8 Of 8)
G07617015Courtesy of © TOYOTA, LICENSE AGREEMENT TMS1002