LEMON Manuals: Even more car manuals for everyone: 1960-2025
Home >> Lexus >> 2009 >> GS 450h >> Repair and Diagnosis >> Electrical >> Body Electrical >> OEM System Circuits >> Theft Deterrent >> Notes
April 5, 2026: LEMON Manuals is launched! Read the announcement.

Theft Deterrent: Notes

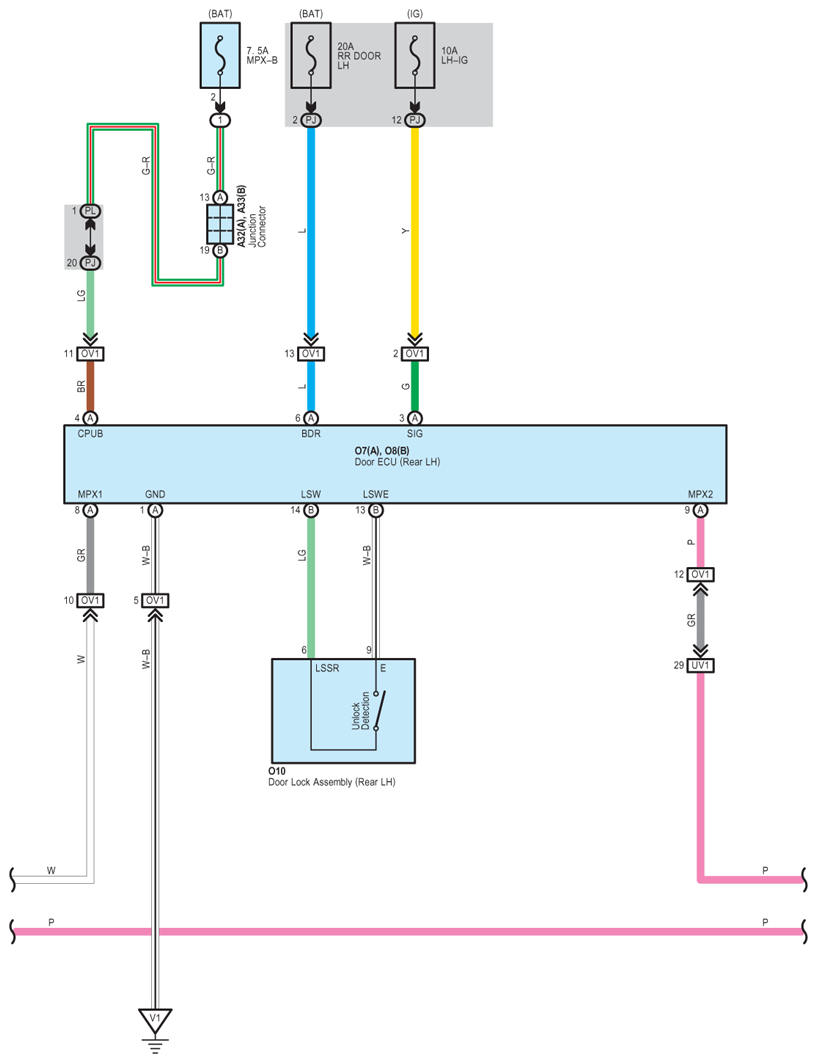
Fig 1: Theft Deterrent - Circuit Diagram (1 Of 11)
G07617025Courtesy of © TOYOTA, LICENSE AGREEMENT TMS1002
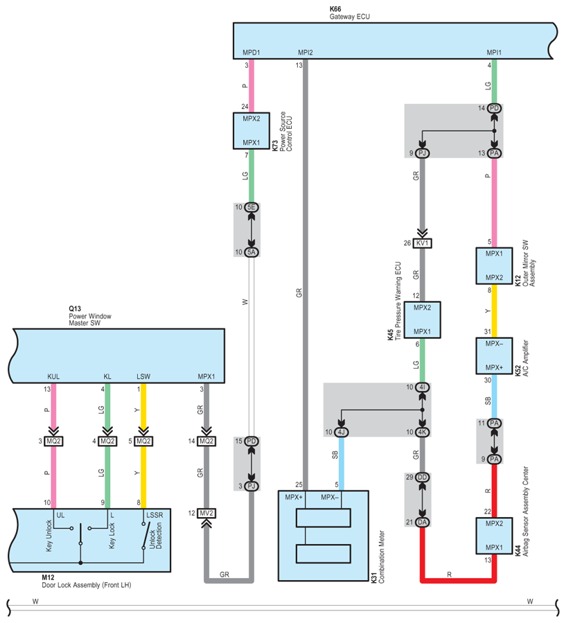
Fig 2: Theft Deterrent - Circuit Diagram (2 Of 11)
G07617026Courtesy of © TOYOTA, LICENSE AGREEMENT TMS1002
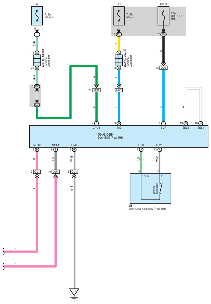
Fig 3: Theft Deterrent - Circuit Diagram (3 Of 11)
G07617027Courtesy of © TOYOTA, LICENSE AGREEMENT TMS1002
Fig 4: Theft Deterrent - Circuit Diagram (4 Of 11)
G07617028Courtesy of © TOYOTA, LICENSE AGREEMENT TMS1002
Fig 5: Theft Deterrent - Circuit Diagram (5 Of 11)
G07617029Courtesy of © TOYOTA, LICENSE AGREEMENT TMS1002
Fig 6: Theft Deterrent - Circuit Diagram (6 Of 11)
G07617030Courtesy of © TOYOTA, LICENSE AGREEMENT TMS1002
Fig 7: Theft Deterrent - Circuit Diagram (7 Of 11)
G07617031Courtesy of © TOYOTA, LICENSE AGREEMENT TMS1002
Fig 8: Theft Deterrent - Circuit Diagram (8 Of 11)
G07617032Courtesy of © TOYOTA, LICENSE AGREEMENT TMS1002
Fig 9: Theft Deterrent - Circuit Diagram (9 Of 11)
G07617033Courtesy of © TOYOTA, LICENSE AGREEMENT TMS1002
Fig 10: Theft Deterrent - Circuit Diagram (10 Of 11)
G07617034Courtesy of © TOYOTA, LICENSE AGREEMENT TMS1002
Fig 11: Theft Deterrent - Circuit Diagram (11 Of 11)
G07617035Courtesy of © TOYOTA, LICENSE AGREEMENT TMS1002