LEMON Manuals: Even more car manuals for everyone: 1960-2025
Home >> Lexus >> 2009 >> GS 460 >> Repair and Diagnosis >> Electrical >> Body Electrical >> OEM System Circuits >> Fuel Lid Opener >> Notes
April 5, 2026: LEMON Manuals is launched! Read the announcement.

Fuel Lid Opener: Notes

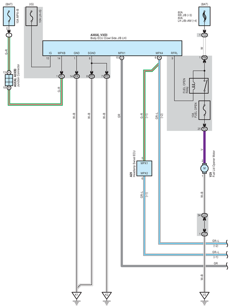
Fig 1: Fuel Lid Opener - Circuit Diagram (1 Of 3)
G07595742Courtesy of © TOYOTA, LICENSE AGREEMENT TMS1002
Fig 2: Fuel Lid Opener - Circuit Diagram (2 Of 3)
G07595743Courtesy of © TOYOTA, LICENSE AGREEMENT TMS1002
Fig 3: Fuel Lid Opener - Circuit Diagram (3 Of 3)
G07595744Courtesy of © TOYOTA, LICENSE AGREEMENT TMS1002