LEMON Manuals: Even more car manuals for everyone: 1960-2025
Home >> Lexus >> 2009 >> GX 470 V8-4.7L (2UZ-FE) >> Repair and Diagnosis >> Diagrams >> Electrical Diagrams >> Powertrain Management >> Computers and Control Systems >> Information Bus >> Multiplex Communication System [BEAN] >> Multiplex Communication System [Bean] Part 17
April 5, 2026: LEMON Manuals is launched! Read the announcement.

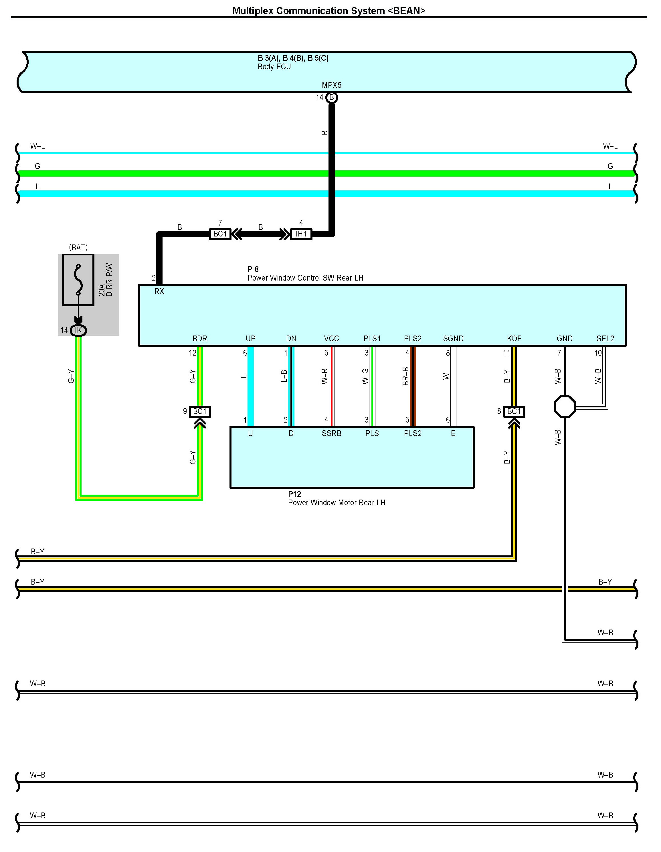
Multiplex Communication System [Bean] Part 17

Multiplex Communication System [BEAN] Part 17:




Connectors Part 1:




Connectors Part 2:




Connectors Part 3:




Connectors Part 4:




Connectors Part 5:




Connectors Part 6:




Connectors Part 7:




Connectors Part 8:




Connectors Part 9:




Connectors Part 10:




Connectors Part 11:




Connectors Part 12:




Connectors Part 13:






Next Diagram Multiplex Communication System [Bean] Part 18

Previous Diagram Multiplex Communication System [Bean] Part 16

Locations: The locations of components, connectors, ground points, and splices referred to within these diagrams can be found at Vehicle Locations. Locations