LEMON Manuals: Even more car manuals for everyone: 1960-2025
Home >> Lexus >> 2009 >> GX 470 V8-4.7L (2UZ-FE) >> Repair and Diagnosis >> Powertrain Management >> Computers and Control Systems >> Relays and Modules - Computers and Control Systems >> Body Control Module >> Locations >> Body
April 5, 2026: LEMON Manuals is launched! Read the announcement.

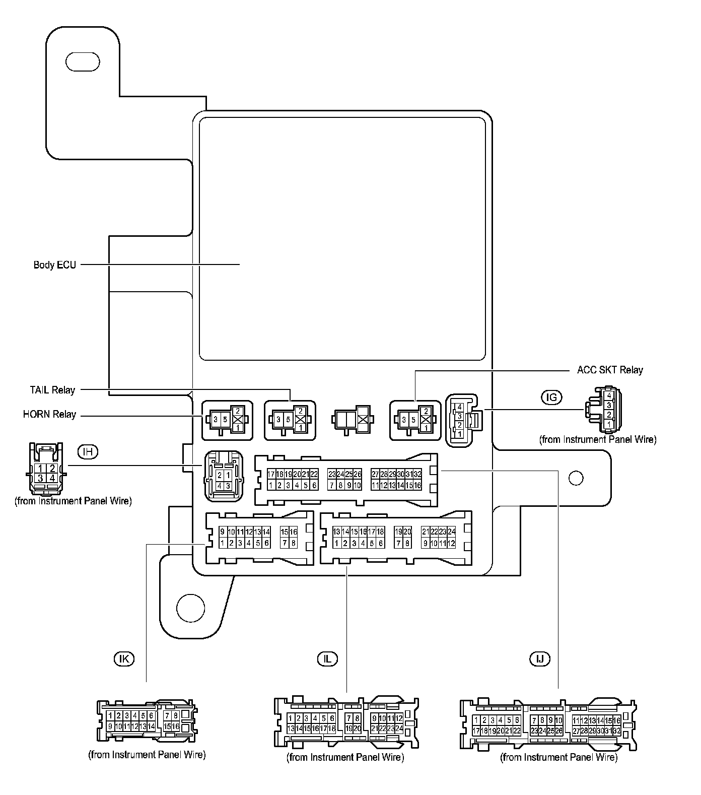
Body

Body:




Driver Side J/B - Lower Finish Panel: