LEMON Manuals: Even more car manuals for everyone: 1960-2025
Home >> Lexus >> 2009 >> GX 470 V8-4.7L (2UZ-FE) >> Repair and Diagnosis >> Powertrain Management >> Relays and Modules - Powertrain Management >> Relays and Modules - Computers and Control Systems >> Engine Control Module >> Locations >> Emission Control System
April 5, 2026: LEMON Manuals is launched! Read the announcement.

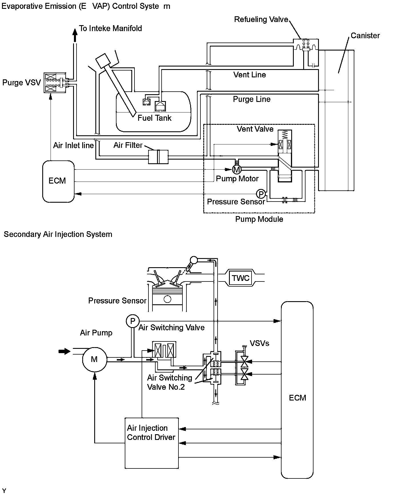
Emission Control System








2UZ-FE EMISSION CONTROL: EMISSION CONTROL SYSTEM: PARTS LOCATION

PARTS LOCATION

ILLUSTRATION