LEMON Manuals: Even more car manuals for everyone: 1960-2025
Home >> Lexus >> 2009 >> GX 470 >> Repair and Diagnosis >> Electrical >> Body Electrical >> OEM System Circuits >> Engine Immobiliser System >> Notes
April 5, 2026: LEMON Manuals is launched! Read the announcement.

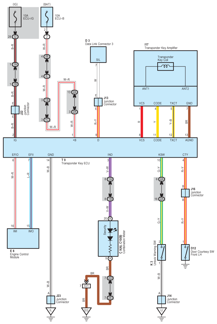
Engine Immobiliser System: Notes

Fig 1: Engine Immobiliser System - Circuit Diagram
G07619787Courtesy of © TOYOTA, LICENSE AGREEMENT TMS1002