LEMON Manuals: Even more car manuals for everyone: 1960-2025
Home >> Lexus >> 2009 >> GX 470 >> Repair and Diagnosis >> External Pages >> Different car >> Section 108 (OEM System Circuits) >> Door Lock Control and Theft Deterrent >> Notes
April 5, 2026: LEMON Manuals is launched! Read the announcement.

Door Lock Control and Theft Deterrent: Notes

WARNING: This page is about a different car, the 2008 Lexus GX 470. However, it is still accessible from the selected car via links, so may be relevant.
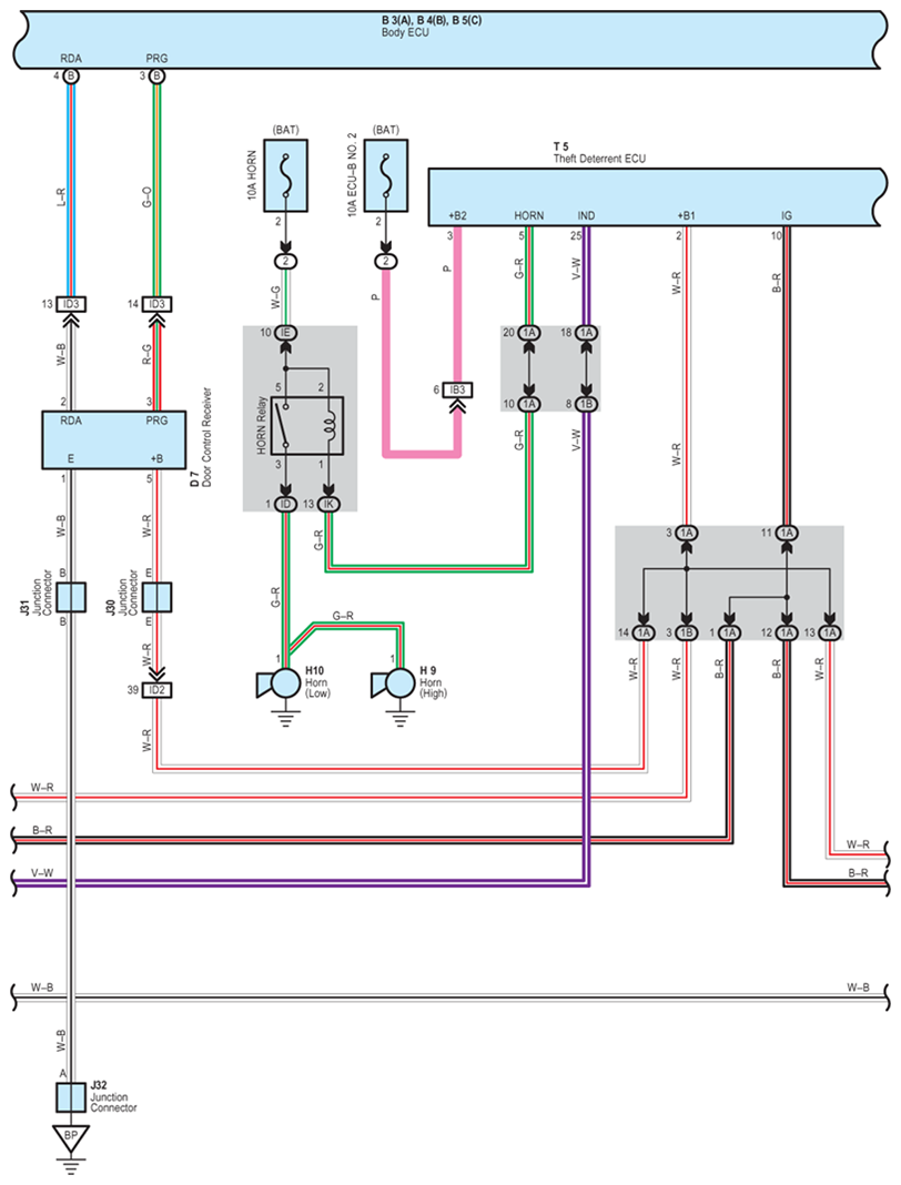
Fig 1: Door Lock Control And Theft Deterrent - Circuit Diagram (1 Of 8)
G07613409Courtesy of © TOYOTA, LICENSE AGREEMENT TMS1002
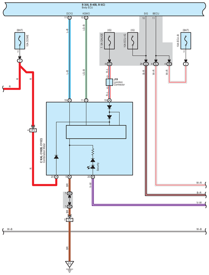
Fig 2: Door Lock Control And Theft Deterrent - Circuit Diagram (2 Of 8)
G07613410Courtesy of © TOYOTA, LICENSE AGREEMENT TMS1002
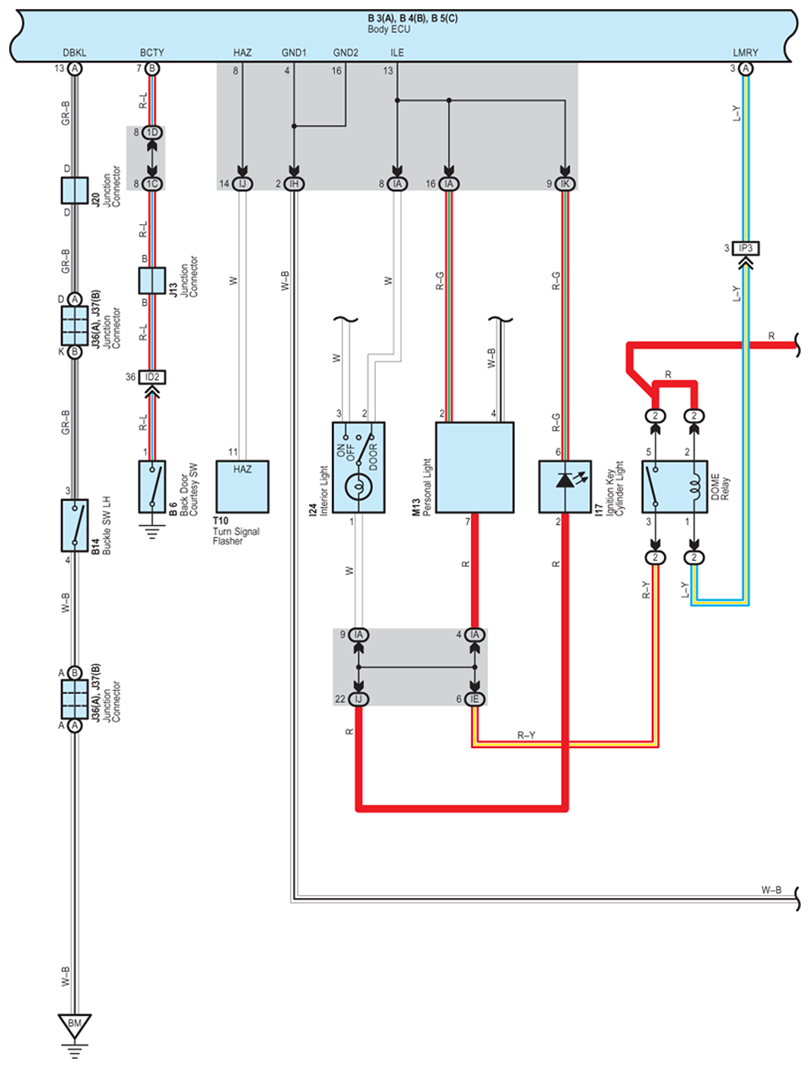
Fig 3: Door Lock Control And Theft Deterrent - Circuit Diagram (3 Of 8)
G07613411Courtesy of © TOYOTA, LICENSE AGREEMENT TMS1002
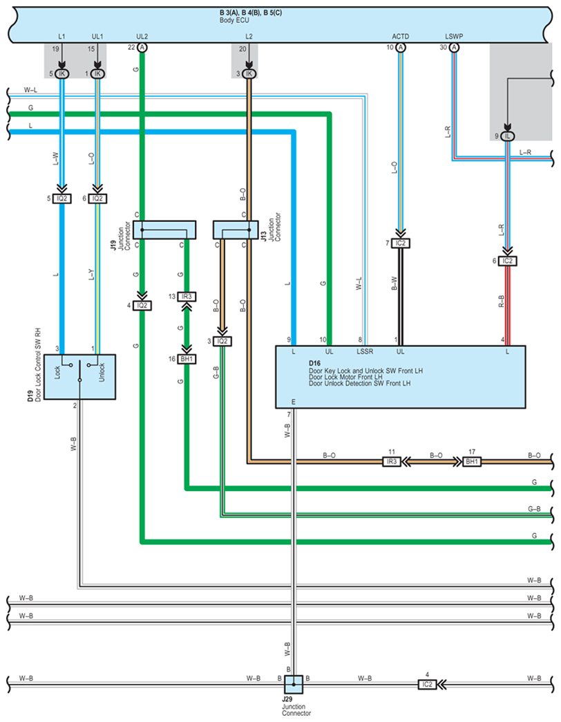
Fig 4: Door Lock Control And Theft Deterrent - Circuit Diagram (4 Of 8)
G07613412Courtesy of © TOYOTA, LICENSE AGREEMENT TMS1002
Fig 5: Door Lock Control And Theft Deterrent - Circuit Diagram (5 Of 8)
G07613413Courtesy of © TOYOTA, LICENSE AGREEMENT TMS1002
Fig 6: Door Lock Control And Theft Deterrent - Circuit Diagram (6 Of 8)
G07613414Courtesy of © TOYOTA, LICENSE AGREEMENT TMS1002
Fig 7: Door Lock Control And Theft Deterrent - Circuit Diagram (7 Of 8)
G07613415Courtesy of © TOYOTA, LICENSE AGREEMENT TMS1002
Fig 8: Door Lock Control And Theft Deterrent - Circuit Diagram (8 Of 8)
G07613416Courtesy of © TOYOTA, LICENSE AGREEMENT TMS1002