LEMON Manuals: Even more car manuals for everyone: 1960-2025
Home >> Lexus >> 2009 >> IS 250 AWD >> Repair and Diagnosis >> Body & Frame >> Seats >> Front Power Seat Control System (With Memory) (Inspection) >> FRONT POWER SEAT CONTROL SYSTEM (w/ Seat Position Memory System) >> Front Passenger Side Seat Memory Switch Circuit >> Wiring Diagram
April 5, 2026: LEMON Manuals is launched! Read the announcement.

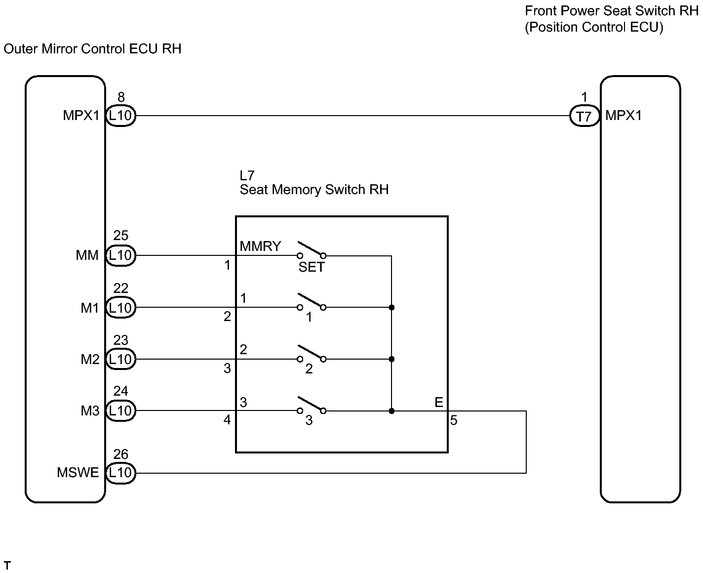
Front Passenger Side Seat Memory Switch Circuit: Wiring Diagram

Fig 1: Identifying Front Passenger Side Seat Memory Switch Circuit Diagram
GTY127452Courtesy of © TOYOTA, LICENSE AGREEMENT TMS1002