LEMON Manuals: Even more car manuals for everyone: 1960-2025
Home >> Lexus >> 2009 >> IS 250 AWD >> Repair and Diagnosis >> Electrical >> Body Electrical >> OEM Ground Points >> Ground Point >> Notes
April 5, 2026: LEMON Manuals is launched! Read the announcement.

Ground Point: Notes

Fig 1: Ground Point - Wiring Diagram (1 Of 8)
G07615868Courtesy of © TOYOTA, LICENSE AGREEMENT TMS1002
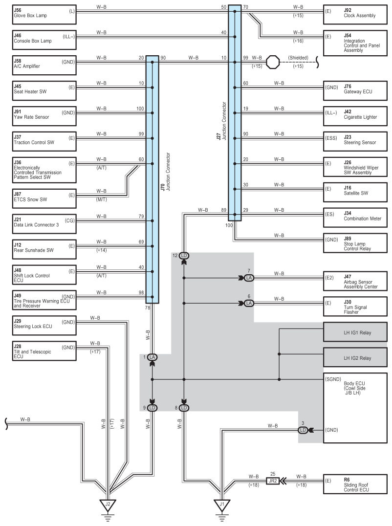
Fig 2: Ground Point - Wiring Diagram (2 Of 8)
G07589093Courtesy of © TOYOTA, LICENSE AGREEMENT TMS1002
Fig 3: Ground Point - Wiring Diagram (3 Of 8)
G07589094Courtesy of © TOYOTA, LICENSE AGREEMENT TMS1002
Fig 4: Ground Point - Wiring Diagram (4 Of 8)
G07589095Courtesy of © TOYOTA, LICENSE AGREEMENT TMS1002
Fig 5: Ground Point - Wiring Diagram (5 Of 8)
G07589096Courtesy of © TOYOTA, LICENSE AGREEMENT TMS1002
Fig 6: Ground Point - Wiring Diagram (6 Of 8)
G07589097Courtesy of © TOYOTA, LICENSE AGREEMENT TMS1002
Fig 7: Ground Point - Wiring Diagram (7 Of 8)
G07589098Courtesy of © TOYOTA, LICENSE AGREEMENT TMS1002
Fig 8: Ground Point - Wiring Diagram (8 Of 8)
G07589099Courtesy of © TOYOTA, LICENSE AGREEMENT TMS1002