LEMON Manuals: Even more car manuals for everyone: 1960-2025
Home >> Lexus >> 2009 >> IS 250 AWD >> Repair and Diagnosis >> Electrical >> Body Electrical >> OEM System Circuits >> EPS >> Notes
April 5, 2026: LEMON Manuals is launched! Read the announcement.

OEM System Circuits: EPS: Notes

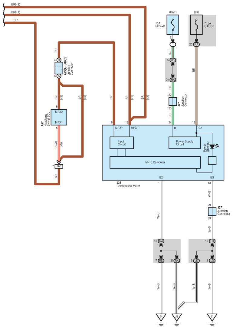
Fig 1: EPS - Circuit Diagram (1 Of 4)
G07588983Courtesy of © TOYOTA, LICENSE AGREEMENT TMS1002
Fig 2: EPS - Circuit Diagram (2 Of 4)
G07588984Courtesy of © TOYOTA, LICENSE AGREEMENT TMS1002
Fig 3: EPS - Circuit Diagram (3 Of 4)
G07588985Courtesy of © TOYOTA, LICENSE AGREEMENT TMS1002
Fig 4: EPS - Circuit Diagram (4 Of 4)
G07588986Courtesy of © TOYOTA, LICENSE AGREEMENT TMS1002