LEMON Manuals: Even more car manuals for everyone: 1960-2025
Home >> Lexus >> 2009 >> IS 250 AWD >> Repair and Diagnosis >> Electrical >> Body Electrical >> OEM System Circuits >> Headlight >> Notes
April 5, 2026: LEMON Manuals is launched! Read the announcement.

OEM System Circuits: Headlight: Notes

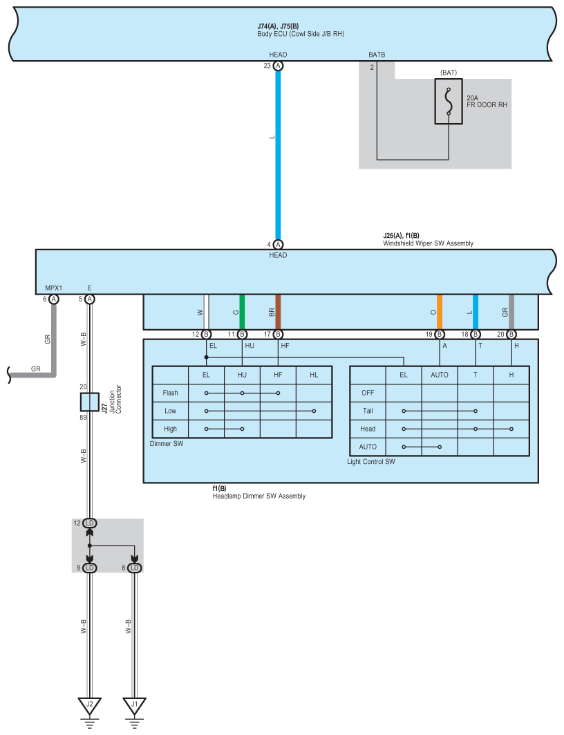
Fig 1: Headlight - Circuit Diagram (1 Of 7)
G07588812Courtesy of © TOYOTA, LICENSE AGREEMENT TMS1002
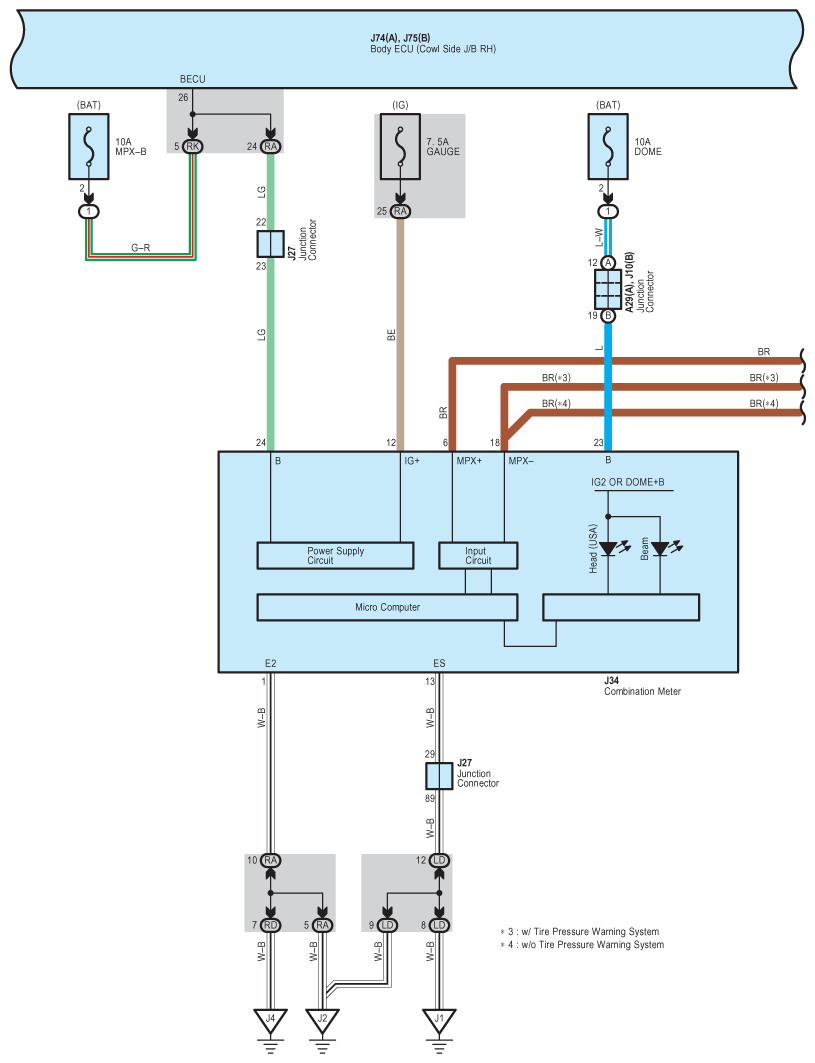
Fig 2: Headlight - Circuit Diagram (2 Of 7)
G07588813Courtesy of © TOYOTA, LICENSE AGREEMENT TMS1002
Fig 3: Headlight - Circuit Diagram (3 Of 7)
G07588814Courtesy of © TOYOTA, LICENSE AGREEMENT TMS1002
Fig 4: Headlight - Circuit Diagram (4 Of 7)
G07588815Courtesy of © TOYOTA, LICENSE AGREEMENT TMS1002
Fig 5: Headlight - Circuit Diagram (5 Of 7)
G07588816Courtesy of © TOYOTA, LICENSE AGREEMENT TMS1002
Fig 6: Headlight - Circuit Diagram (6 Of 7)
G07588817Courtesy of © TOYOTA, LICENSE AGREEMENT TMS1002
Fig 7: Headlight - Circuit Diagram (7 Of 7)
G07588818Courtesy of © TOYOTA, LICENSE AGREEMENT TMS1002