LEMON Manuals: Even more car manuals for everyone: 1960-2025
Home >> Lexus >> 2009 >> IS 250 AWD >> Repair and Diagnosis >> Engine Performance >> System >> Engine Control System (DTCS P0420 - U0101 & Circuit Tests) >> SFI System >> Fuel Pump Control Circuit >> Procedure
April 5, 2026: LEMON Manuals is launched! Read the announcement.

Fuel Pump Control Circuit: Procedure

  1. CHECK FUEL PUMP (FUEL PUMP OPERATION) 
    1. Check if there is pressure in the fuel inlet hose.

      HINT: 

      If there is fuel pressure, you will hear the sound of fuel flowing.

    OK → See step   12 

    NG: Go to next step 

  2. PERFORM ACTIVE TEST USING TECHSTREAM (OPERATE CIRCUIT OPENING RELAY) 
    1. Connect Techstream to the DLC3.
    2. Turn the engine switch on (IG) and turn Techstream on.
    3. Enter the following menus: Powertrain / Engine and ECT / Active Test / Control the Fuel Pump / Speed.
    4. Check the operation of the relay while operating it using Techstream.

      OK

      Operating noise can be heard from the relay.

    OK → See step   8 

    NG: Go to next step 

  3. INSPECT ECM POWER SOURCE CIRCUIT 

    NG → REPAIR OR REPLACE POWER SOURCE CIRCUIT 

    OK: Go to next step 

  4. INSPECT FUSE (F/PMP FUSE) 
    1. Remove the F/PMP fuse from the engine room J/B No. 2.
      Fig 1: Identifying F/PMP Fuse
      GTY145569Courtesy of © TOYOTA, LICENSE AGREEMENT TMS1002
    2. Measure the resistance of the F/PMP fuse.

      Standard resistance

      Below 1 Ω

    NG → REPLACE FUSE 

    OK: Go to next step 

  5. INSPECT INTEGRATION NO. 1 RELAY (EFI NO. 2 RELAY) 
    1. Remove the integration relay from the engine room J/B No. 2.
      Fig 2: Identifying Integration Relay & Terminals
      GTY145488Courtesy of © TOYOTA, LICENSE AGREEMENT TMS1002
    2. Measure the resistance according to the value(s) in the table below.

      Standard resistance

      Tester Connection Specified Condition
      2B-4 - 2C-1 10 kΩ or higher
      2B-4 - 2C-1 Below 1 Ω
      (when battery voltage applied to terminals 2B-3 and 2B-2)

    NG → REPLACE INTEGRATION NO. 1 RELAY 

    OK: Go to next step 

  6. INSPECT INTEGRATION NO. 1 RELAY (C/OPN RELAY) 
    1. Remove the integration relay from the engine room J/B No. 2.
      Fig 3: Identifying Integration Relay & Terminals
      GTY130007Courtesy of © TOYOTA, LICENSE AGREEMENT TMS1002
    2. Measure the resistance according to the value(s) in the table below.

      Standard resistance

      Tester Connection Specified Condition
      2B-6 - 2B-8 10 kΩ or higher
      2B-6 - 2B-8 Below 1 Ω
      (when battery voltage applied to terminals 2B-6 and 2B-7)

    NG → REPLACE INTEGRATION NO. 1 RELAY 

    OK: Go to next step 

  7. INSPECT ECM (FC VOLTAGE) 
    1. Turn the engine switch on (IG).
      Fig 4: Identifying E4 And A5 ECM Connector
      GTY127104Courtesy of © TOYOTA, LICENSE AGREEMENT TMS1002
    2. Measure the voltage according to the value(s) in the table below.

      Standard voltage

      Tester Connection Specified Condition
      FC (A5-14) - E1 (E4-7) 9 to 14 V

    OK → REPLACE ECM 

    NG → CHECK AND REPAIR HARNESS AND CONNECTOR (ECM - CIRCUIT OPENING RELAY) 

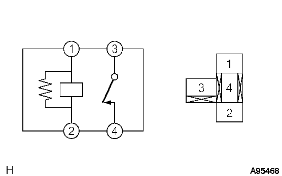
  8. INSPECT F/PMP RELAY 
    1. Remove the F/PMP relay from the engine room R/B No. 2.
      Fig 5: Inspecting F/PMP Relay
      GTY104187Courtesy of © TOYOTA, LICENSE AGREEMENT TMS1002
    2. Measure the resistance according to the value(s) in the table below.

      Standard resistance

      Tester Connection Specified Condition
      3 - 4 10 kΩ or higher
      3 - 4 Below 1 Ω
      (when battery voltage applied to terminals 1 and 2)

    NG → REPLACE F/PMP RELAY 

    OK: Go to next step 

  9. INSPECT FUEL PUMP 
    1. Inspect fuel pump resistance.
      Fig 6: Identifying Fuel Pump Connector Terminals
      GTY104497Courtesy of © TOYOTA, LICENSE AGREEMENT TMS1002
      1. Measure the resistance between terminals 4 and 5.

        Standard resistance

        0.2 to 3.0 Ω at 20°C (68°F)

    2. Inspect fuel pump operation.
      1. Apply battery voltage to both terminals. Check that the pump operates.
        NOTE:
        • These tests must be done quickly (within 10 seconds) to prevent the coil from burning out.
        • Keep the fuel pump as far away from the battery as possible.
        • Always switch at the battery side.

    NG → REPLACE FUEL PUMP 

    OK: Go to next step 

  10. CHECK HARNESS AND CONNECTOR (FUEL PUMP - F/PMP RELAY) 
    1. Check the harness and the connectors between the fuel pump and the F/PMP relay.
      Fig 7: Identifying Terminals & Relay & Connector
      GTY140470Courtesy of © TOYOTA, LICENSE AGREEMENT TMS1002
      1. Disconnect the fuel pump connector.
      2. Remove the F/PMP relay from the engine room R/B No. 2.
      3. Measure the resistance according to the value(s) in the table below.

        Standard resistance (Check for open)

        Tester Connection Specified Condition
        Fuel pump (Q14-4) - F/PMP relay (4) Below 1 Ω

        Standard resistance (Check for short)

        Tester Connection Specified Condition
        Fuel pump (Q14-4) or F/PMP (4) - Body ground 10 kΩ or higher
    2. Check the harness and the connectors between the fuel pump and body ground.
      1. Disconnect the fuel pump connector.
      2. Measure the resistance according to the value(s) in the table below.

        Standard resistance (Check for open)

        Tester Connection Specified Condition
        Fuel pump (Q14-5) - Body ground 10 kΩ or higher

    NG → REPAIR OR REPLACE HARNESS OR CONNECTOR 

    OK: Go to next step 

  11. CHECK HARNESS AND CONNECTOR (INTEGRATION RELAY - F/PMP RELAY) 
    1. Remove the integration relay from the engine room R/B No. 2.
      Fig 8: Identifying Relay & Terminals
      GTY140992Courtesy of © TOYOTA, LICENSE AGREEMENT TMS1002
    2. Remove the F/PMP relay from the engine room R/B No. 2.
    3. Measure the resistance according to the value(s) in the table below.

      Standard resistance (Check for open)

      Tester Connection Specified Condition
      Integration relay (2B-8) - F/PMP relay (1) Below 1 Ω
      Integration relay (2B-8) - F/PMP relay (3) Below 1 Ω

      Standard resistance (Check for short)

      Tester Connection Specified Condition
      Integration relay (2B-8) or F/PMP relay (1) - Body ground 10 kΩ or higher
      Integration relay (2B-8) or F/PMP relay (3) - Body ground 10 kΩ or higher

    NG → REPAIR OR REPLACE HARNESS OR CONNECTOR 

    OK → REPAIR OR REPLACE INTEGRATION NO. 1 RELAY 

  12. INSPECT F/PMP RELAY 
    1. Remove the F/PMP relay from the engine room R/B No. 2.
      Fig 9: Inspecting F/PMP Relay
      GTY104187Courtesy of © TOYOTA, LICENSE AGREEMENT TMS1002
    2. Measure the resistance according to the value(s) in the table below.

      Standard resistance

      Tester Connection Specified Condition
      3 - 4 10 kΩ or higher
      3 - 4 Below 1 Ω
      (when battery voltage applied to terminals 1 and 2)

    NG → REPLACE F/PMP RELAY 

    OK: Go to next step 

  13. INSPECT FUEL PUMP RESISTER 
    1. Measure the resistance of the fuel pump resistor.
      Fig 10: Measuring Resistance Of Fuel Pump Resistor
      GTY104490Courtesy of © TOYOTA, LICENSE AGREEMENT TMS1002

      Standard resistance

      0.30 to 0.34 Ω at 20°C (68°F)

    NG → REPLACE FUEL PUMP RESISTER 

    OK: Go to next step 

  14. CHECK HARNESS AND CONNECTOR (F/PMP RELAY - FUEL PUMP RESISTER) 
    1. Check the harness and the connectors between the F/PMP relay and the fuel pump resistor.
      Fig 11: Identifying Terminals Of Relay & Connector
      GTY148715Courtesy of © TOYOTA, LICENSE AGREEMENT TMS1002
      1. Remove the F/PMP relay from the engine room R/B No. 2.
      2. Disconnect the fuel pump resistor connector.
      3. Measure the resistance according to the value(s) in the table below.

        Standard resistance (Check for open)

        Tester Connection Specified Condition
        F/PMP relay (4) - Fuel pump resistor (A40-2) Below 1 Ω
        F/PMP relay (3) - Fuel pump resistor (A40-1) Below 1 Ω

        Standard resistance (Check for short)

        Tester Connection Specified Condition
        Fuel pump relay (4) or Fuel pump resistor (A40-2) - Body ground 10 kΩ or higher
        Fuel pump relay (3) or Fuel pump resistor (A40-1) - Body ground 10 kΩ or higher

    OK → PROCEED TO NEXT CIRCUIT INSPECTION SHOWN IN PROBLEM SYMPTOMS TABLE 

    NG → REPAIR OR REPLACE HARNESS OR CONNECTOR