LEMON Manuals: Even more car manuals for everyone: 1960-2025
Home >> Lexus >> 2009 >> IS 350 >> Repair and Diagnosis (Single Page) >> Electrical >> Body Electrical >> OEM System Circuits >> Automatic Light Control >> Notes
April 5, 2026: LEMON Manuals is launched! Read the announcement.

Automatic Light Control: Notes

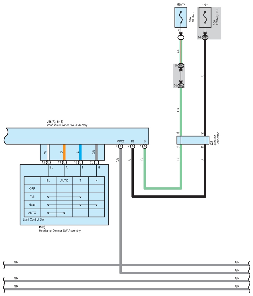
Fig 1: Automatic Light Control - Circuit Diagram (1 Of 4)
G07588859Courtesy of © TOYOTA, LICENSE AGREEMENT TMS1002
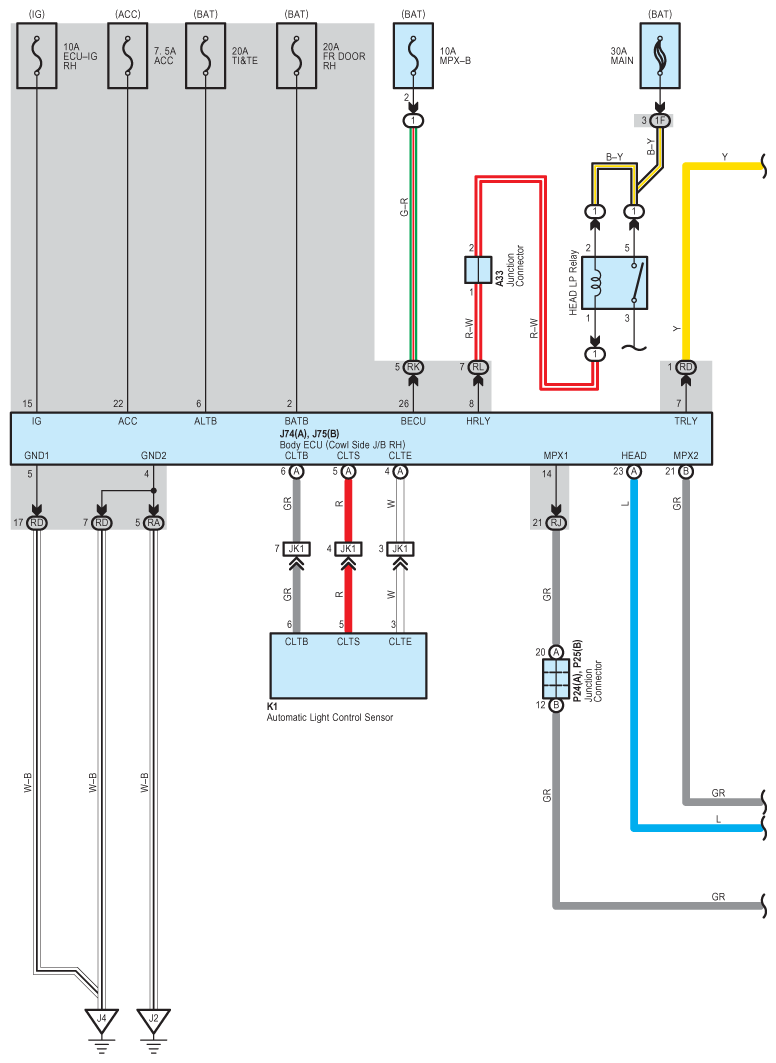
Fig 2: Automatic Light Control - Circuit Diagram (2 Of 4)
G07588860Courtesy of © TOYOTA, LICENSE AGREEMENT TMS1002
Fig 3: Automatic Light Control - Circuit Diagram (3 Of 4)
G07588861Courtesy of © TOYOTA, LICENSE AGREEMENT TMS1002
Fig 4: Automatic Light Control - Circuit Diagram (4 Of 4)
G07588862Courtesy of © TOYOTA, LICENSE AGREEMENT TMS1002