LEMON Manuals: Even more car manuals for everyone: 1960-2025
Home >> Lexus >> 2009 >> IS 350 >> Repair and Diagnosis >> Body & Frame >> Seats >> Front Power Seat Control System (W/O Memory) (Inspection) >> FRONT POWER SEAT CONTROL SYSTEM (w/o Seat Position Memory System) >> System Diagram >> System Diagram
April 5, 2026: LEMON Manuals is launched! Read the announcement.

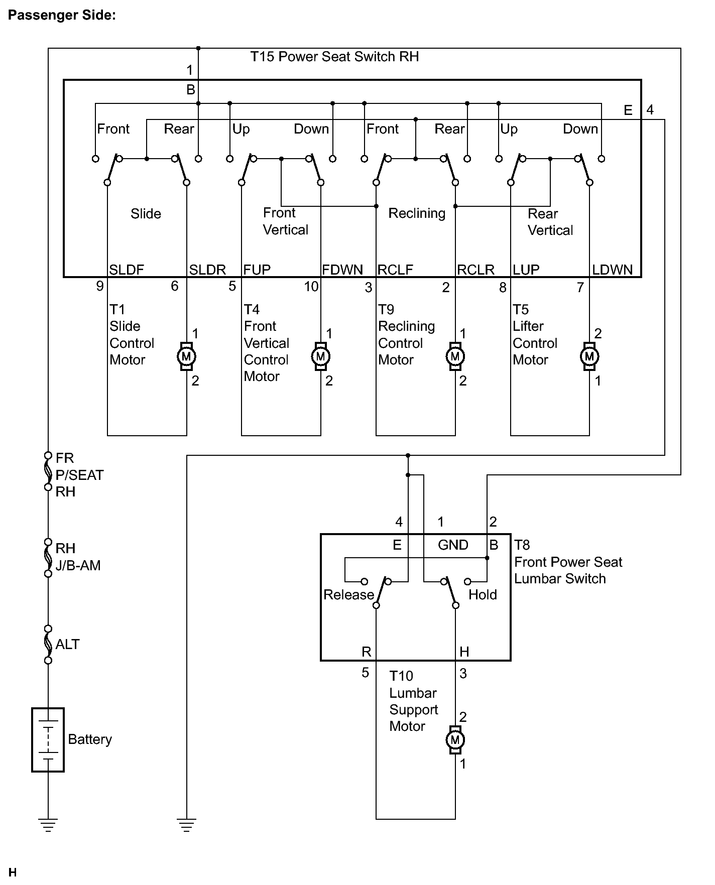
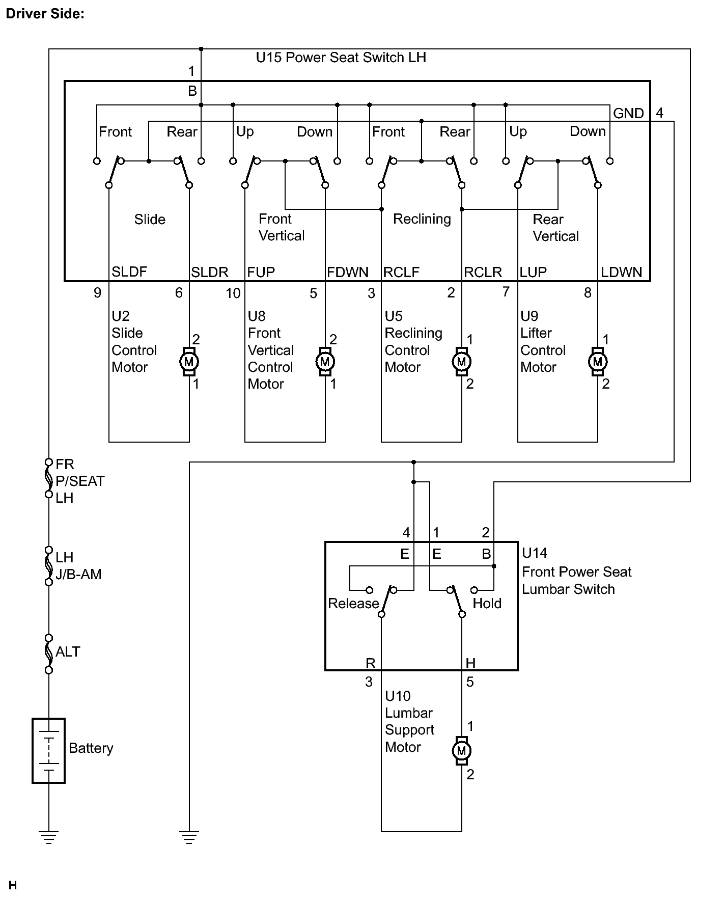
System Diagram

Fig 1: Front Power Seat Control System Diagram (1 Of 2)
GTY144424Courtesy of © TOYOTA, LICENSE AGREEMENT TMS1002
Fig 2: Front Power Seat Control System Diagram (2 Of 2)
GTY140886Courtesy of © TOYOTA, LICENSE AGREEMENT TMS1002