LEMON Manuals: Even more car manuals for everyone: 1960-2025
Home >> Lexus >> 2009 >> IS 350 >> Repair and Diagnosis >> Electrical >> Body Electrical >> OEM System Circuits >> Light Auto Turn Off System >> Notes
April 5, 2026: LEMON Manuals is launched! Read the announcement.

Light Auto Turn Off System: Notes

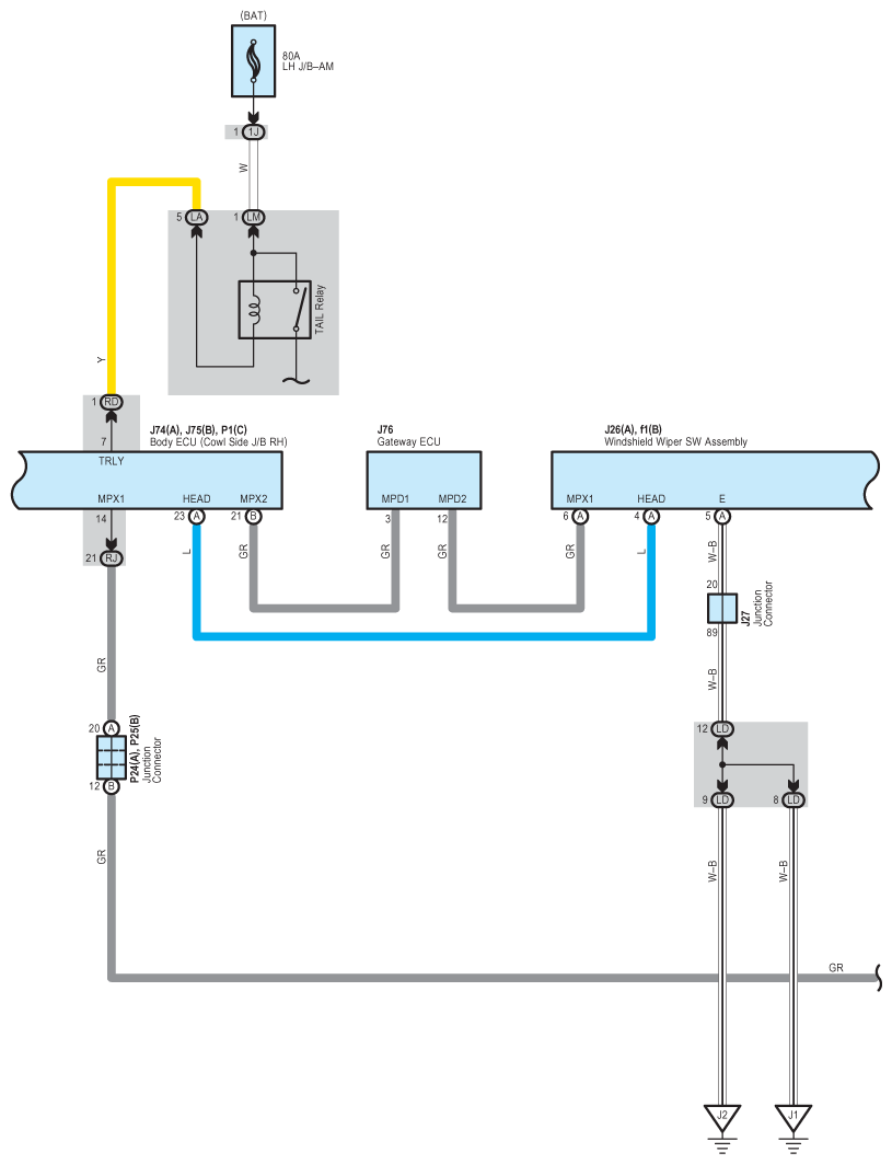
Fig 1: Light Auto Turn Off System - Circuit Diagram (1 Of 5)
G07588863Courtesy of © TOYOTA, LICENSE AGREEMENT TMS1002
Fig 2: Light Auto Turn Off System - Circuit Diagram (2 Of 5)
G07588864Courtesy of © TOYOTA, LICENSE AGREEMENT TMS1002
Fig 3: Light Auto Turn Off System - Circuit Diagram (3 Of 5)
G07588865Courtesy of © TOYOTA, LICENSE AGREEMENT TMS1002
Fig 4: Light Auto Turn Off System - Circuit Diagram (4 Of 5)
G07588866Courtesy of © TOYOTA, LICENSE AGREEMENT TMS1002
Fig 5: Light Auto Turn Off System - Circuit Diagram (5 Of 5)
G07588867Courtesy of © TOYOTA, LICENSE AGREEMENT TMS1002