LEMON Manuals: Even more car manuals for everyone: 1960-2025
Home >> Lexus >> 2009 >> IS F >> Repair and Diagnosis (Single Page) >> Electrical >> Body Electrical >> OEM System Circuits >> Clock >> Notes
April 5, 2026: LEMON Manuals is launched! Read the announcement.

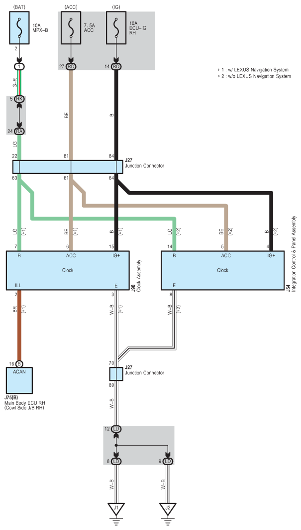
OEM System Circuits: Clock: Notes

Fig 1: Clock - Circuit Diagram
G07617755Courtesy of © TOYOTA, LICENSE AGREEMENT TMS1002