LEMON Manuals: Even more car manuals for everyone: 1960-2025
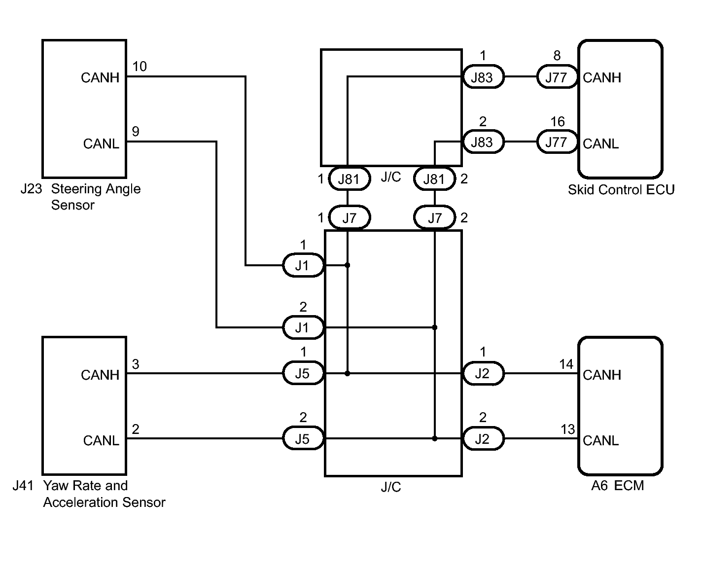
Home >> Lexus >> 2009 >> IS F >> Repair and Diagnosis >> Brakes >> Traction Control >> Vehicle Stability Control System (Diagnostic Codes & Circuit Tests) >> Vehicle Stability Control System >> DTC U0073/94: Control Module Communication Bus OFF; DTC U0100/65: Lost Communication with ECM / PCM; DTC U0123/62: Lost Communication with Yaw Rate Sensor Module; DTC U0124/95: Lost Communication with Lateral Acceleration Sensor Module; DTC U0126/63: Lost Communication with Steering Angle Sensor Module >> Wiring Diagram
April 5, 2026: LEMON Manuals is launched! Read the announcement.

DTC U0073/94: Control Module Communication Bus OFF; DTC U0100/65: Lost Communication with ECM / PCM; DTC U0123/62: Lost Communication with Yaw Rate Sensor Module; DTC U0124/95: Lost Communication with Lateral Acceleration Sensor Module; DTC U0126/63: Lost Communication with Steering Angle Sensor Module: Wiring Diagram

Fig 1: ECM, Skid Control ECU, Steering Angle Sensor, & Yaw Rate / Acceleration Sensor Wiring Diagram
GTY108897Courtesy of © TOYOTA, LICENSE AGREEMENT TMS1002