LEMON Manuals: Even more car manuals for everyone: 1960-2025
Home >> Lexus >> 2009 >> IS F >> Repair and Diagnosis >> Electrical >> Body Electrical >> OEM System Circuits >> Audio System, LEXUS Navigation System and Parking Assist (Rear View Monitor) >> Notes
April 5, 2026: LEMON Manuals is launched! Read the announcement.

Audio System, LEXUS Navigation System and Parking Assist (Rear View Monitor): Notes

Fig 1: Audio System, Lexus Navigation System And Parking Assist (Rear View Monitor) - Circuit Diagram (1 Of 13)
G07617763Courtesy of © TOYOTA, LICENSE AGREEMENT TMS1002
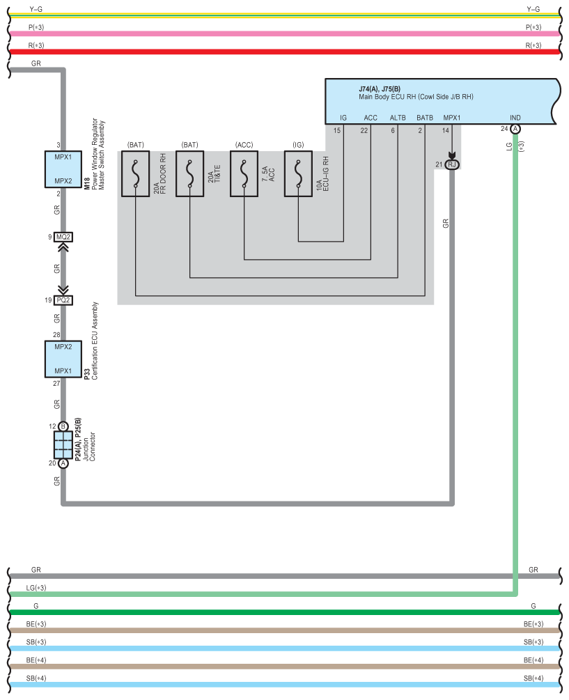
Fig 2: Audio System, Lexus Navigation System And Parking Assist (Rear View Monitor) - Circuit Diagram (2 Of 13)
G07617764Courtesy of © TOYOTA, LICENSE AGREEMENT TMS1002
Fig 3: Audio System, Lexus Navigation System And Parking Assist (Rear View Monitor) - Circuit Diagram (3 Of 13)
G07617765Courtesy of © TOYOTA, LICENSE AGREEMENT TMS1002
Fig 4: Audio System, Lexus Navigation System And Parking Assist (Rear View Monitor) - Circuit Diagram (4 Of 13)
G07617766Courtesy of © TOYOTA, LICENSE AGREEMENT TMS1002
Fig 5: Audio System, Lexus Navigation System And Parking Assist (Rear View Monitor) - Circuit Diagram (5 Of 13)
G07617767Courtesy of © TOYOTA, LICENSE AGREEMENT TMS1002
Fig 6: Audio System, Lexus Navigation System And Parking Assist (Rear View Monitor) - Circuit Diagram (6 Of 13)
G07617768Courtesy of © TOYOTA, LICENSE AGREEMENT TMS1002
Fig 7: Audio System, Lexus Navigation System And Parking Assist (Rear View Monitor) - Circuit Diagram (7 Of 13)
G07617769Courtesy of © TOYOTA, LICENSE AGREEMENT TMS1002
Fig 8: Audio System, Lexus Navigation System And Parking Assist (Rear View Monitor) - Circuit Diagram (8 Of 13)
G07617770Courtesy of © TOYOTA, LICENSE AGREEMENT TMS1002
Fig 9: Audio System, Lexus Navigation System And Parking Assist (Rear View Monitor) - Circuit Diagram (9 Of 13)
G07617771Courtesy of © TOYOTA, LICENSE AGREEMENT TMS1002
Fig 10: Audio System, Lexus Navigation System And Parking Assist (Rear View Monitor) - Circuit Diagram (10 Of 13)
G07617772Courtesy of © TOYOTA, LICENSE AGREEMENT TMS1002
Fig 11: Audio System, Lexus Navigation System And Parking Assist (Rear View Monitor) - Circuit Diagram (11 Of 13)
G07617773Courtesy of © TOYOTA, LICENSE AGREEMENT TMS1002
Fig 12: Audio System, Lexus Navigation System And Parking Assist (Rear View Monitor) - Circuit Diagram (12 Of 13)
G07617774Courtesy of © TOYOTA, LICENSE AGREEMENT TMS1002
Fig 13: Audio System, Lexus Navigation System And Parking Assist (Rear View Monitor) - Circuit Diagram (13 Of 13)
G07617775Courtesy of © TOYOTA, LICENSE AGREEMENT TMS1002