LEMON Manuals: Even more car manuals for everyone: 1960-2025
Home >> Lexus >> 2009 >> IS F >> Repair and Diagnosis >> Electrical >> Body Electrical >> OEM System Circuits >> Automatic Glare-Resistant EC Mirror with Compass >> Notes
April 5, 2026: LEMON Manuals is launched! Read the announcement.

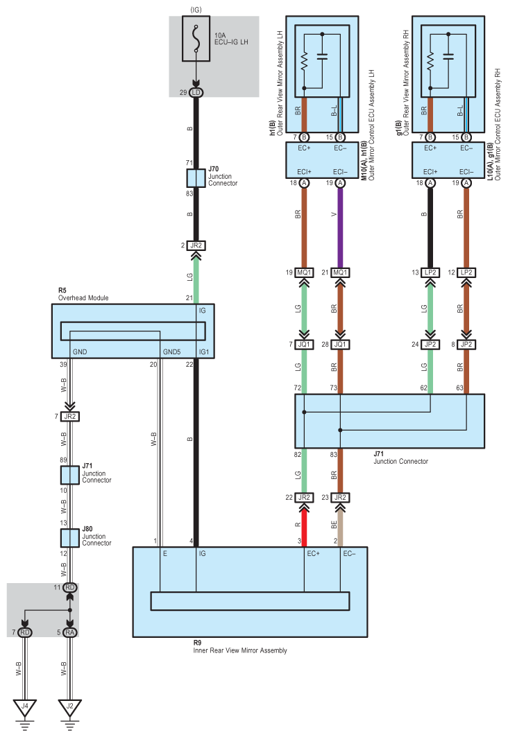
Automatic Glare-Resistant EC Mirror with Compass: Notes

Fig 1: Automatic Glare-Resistant EC Mirror With Compass - Circuit Diagram
G07617741Courtesy of © TOYOTA, LICENSE AGREEMENT TMS1002